h1_key

TI(德州仪器) SN65HVD234
德州仪器 (TI) 全系列产品在线购买
  • TI(德州仪器) SN65HVD234
  • TI(德州仪器) SN65HVD234
  • TI(德州仪器) SN65HVD234
  • TI(德州仪器) SN65HVD234
  • TI(德州仪器) SN65HVD234
  • TI(德州仪器) SN65HVD234
立即查看
您当前的位置: 首页 > 接口 > CAN 收发器 > SN65HVD234
SN65HVD234

SN65HVD234

正在供货

具有睡眠模式的 3.3V CAN 收发器

产品详情
  • 说明
  • 特性
  • 参数
  • 封装 | 引脚 | 尺寸

SN65HVD233、SN65HVD234 和 SN65HVD235 用于 采用 符合 ISO 11898 标准的控制器局域网 (CAN) 串行通信物理层的应用。作为 CAN 收发器,每种器件在差分 CAN 总线和 CAN 控制器间提供传输和接收功能,信令速度高达 1Mbps。

这些器件专为在特别恶劣的环境中工作而设计,具有交叉线保护、高达 ±36V 的过压保护、接地失效保护、过热(热关断)保护以及 ±100V 的共模瞬态保护功能。这些器件可在 –7V 至 12V 的宽共模范围内运行。这些收发器是微处理器上的主机 CAN 控制器与工业、楼宇自动化,运输和汽车应用中使用的差分 CAN 总线之间的 接口。

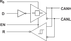
模式:SN65HVD233、SN65HVD234 和 SN65HVD235 的 RS 引脚(引脚 8)提供三种运行模式:高速、斜率控制和低功耗待机模式。将引脚 8 直接接地可选择高速工作模式,该工作模式允许驱动器输出晶体管以尽可能快的速度导通和关断,而且对上升和下降斜率没有限制。通过在 RS 引脚与地之间连接一个电阻器可以调节上升和下降斜率。斜率将与引脚的输出电流成正比。当电阻器值为 10kΩ 时,器件驱动器的压摆率约为 15V/µs;当电阻器值为 100kΩ 时,器件的压摆率约为 2.0V/µs。有关斜率控制的更多信息,请参阅特性 说明

如果对 RS 引脚施加逻辑高电平,那么 SN65HVD233、SN65HVD234 和 SN65HVD235 会进入低电流待机(仅监听)模式,在此模式下,驱动器将关断并且接收器保持活动状态。如果本地协议控制器需要向总线发送消息,则必须通过 RS 引脚将器件返回至高速模式或斜率控制模式。

环回 (SN65HVD233):当 SN65HVD233 的环回 (LBK) 引脚(引脚 5)为逻辑高电平时,会将总线输出和总线输入置于高阻抗状态。器件内部的 D 至 R 路径保持活动状态,可用于驱动器至接收器环回,从而实现在不干扰总线的情况下执行自诊断节点功能。有关环回模式的更多信息,请参阅特性 说明

超低电流睡眠 (SN65HVD234):如果对 EN 引脚(引脚 5)施加逻辑低电平,则 SN65HVD234 会进入超低电流睡眠模式,在该模式下将停用驱动器和接收器电路。在通过向引脚 5 施加逻辑高电平来激活电路之前,器件将一直处于该睡眠模式。

自动波特环回 (SN65HVD235):SN65HVD235 的 AB 引脚(引脚 5)实现了总线仅监听环回功能,允许本地节点控制器将其波特率与 CAN 总线的波特率同步。在自动波特模式下,驱动器的总线输出处于高阻抗状态,而接收器的总线输入保持活动状态。器件内部有一条 D 引脚到 R 引脚的环回路径,可帮助控制器执行波特率检测或自动波特功能。有关自动波特模式的更多信息,请参阅特性 说明

  • 3.3V 单电源电压
  • 总线引脚故障保护大于 ±36V
  • 总线引脚 ESD 保护大于 ±16kV HBM
  • 符合 ISO 11898-2 标准
  • 符合 GIFT/ICT 标准
  • 数据速率高达 1Mbps
  • 扩展级共模范围:–7V 至 12V
  • 高输入阻抗支持 120 个节点
  • LVTTL I/O 可承受 5V 的电压
  • 可调节的驱动器转换时间,能够改善辐射性能
  • 未供电节点不会干扰总线
  • 低电流待机模式,200µA(典型值)
  • SN65HVD233:环回模式
  • SN65HVD234:超低电流休眠模式
    • 50nA 典型电流消耗
  • SN65HVD235:自动波特环回模式
  • 热关断保护
  • 加电和断电时总线输入和输出上无干扰
    • 具有低 VCC 的高输入阻抗
    • 功率循环过程中单片输出
ProtocolsCAN
Number of channels1
Supply voltage (V)3 to 3.6
Bus fault voltage (V)-36 to 36
Signaling rate (max) (Bits)1000000
RatingCatalog
SOIC (D)829.4 mm² 4.9 x 6
产品购买
  • 商品型号
  • 封装
  • 工作温度
  • 包装
  • 价格
  • 现货库存
  • 操作
10s
温馨提示:
订单商品问题请移至我的售后服务提交售后申请,其他需投诉问题可移至我的投诉提交,我们将在第一时间给您答复
返回顶部