h1_key

TI(德州仪器) DS90CR482
德州仪器 (TI) 全系列产品在线购买
  • TI(德州仪器) DS90CR482
  • TI(德州仪器) DS90CR482
  • TI(德州仪器) DS90CR482
  • TI(德州仪器) DS90CR482
  • TI(德州仪器) DS90CR482
  • TI(德州仪器) DS90CR482
立即查看
您当前的位置: 首页 > 接口 > 其他接口 > DS90CR482
DS90CR482

DS90CR482

正在供货

48 位 LVDS 频道链接解串器 - 65 - 112 MHz

产品详情
  • 说明
  • 特性
  • 参数
  • 封装 | 引脚 | 尺寸

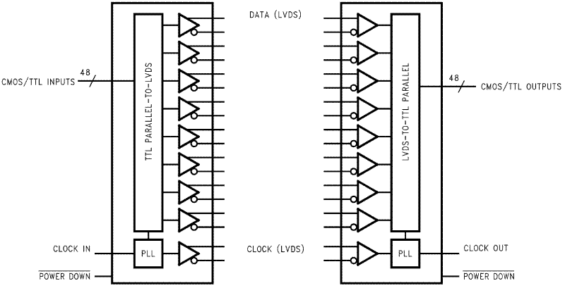
The DS90CR481 transmitter converts 48 bits of CMOS/TTL data into eight LVDS (Low Voltage Differential Signaling) data streams. A phase-locked transmit clock is transmitted in parallel with the data streams over a ninth LVDS link. Every cycle of the transmit clock 48 bits of input data are sampled and transmitted. The DS90CR482 receiver converts the LVDS data streams back into 48 bits of LVCMOS/TTL data. At a transmit clock frequency of 112MHz, 48 bits of TTL data are transmitted at a rate of 672Mbps per LVDS data channel. Using a 112MHz clock, the data throughput is 5.38Gbit/s (672Mbytes/s). At a transmit clock frequency of 112MHz, 48 bits of TTL data are transmitted at a rate of 672Mbps per LVDS data channel. Using a 66MHz clock, the data throughput is 3.168Gbit/s (396Mbytes/s).

The multiplexing of data lines provides a substantial cable reduction. Long distance parallel single-ended buses typically require a ground wire per active signal (and have very limited noise rejection capability). Thus, for a 48-bit wide data and one clock, up to 98 conductors are required. With this Channel Link chipset as few as 19 conductors (8 data pairs, 1 clock pair and a minimum of one ground) are needed. This provides an 80% reduction in cable width, which provides a system cost savings, reduces connector physical size and cost, and reduces shielding requirements due to the cables' smaller form factor.

The 48 CMOS/TTL inputs can support a variety of signal combinations. For example, 6 8-bit words or 5 9-bit (byte + parity) and 3 controls.

The DS90CR481/DS90CR482 chipset is improved over prior generations of Channel Link devices and offers higher bandwidth support and longer cable drive with three areas of enhancement. To increase bandwidth, the maximum clock rate is increased to 112 MHz and 8 serialized LVDS outputs are provided. Cable drive is enhanced with a user selectable pre-emphasis feature that provides additional output current during transitions to counteract cable loading effects. Optional DC balancing on a cycle-to-cycle basis, is also provided to reduce ISI (Inter-Symbol Interference). With pre-emphasis and DC balancing, a low distortion eye-pattern is provided at the receiver end of the cable. A cable deskew capability has been added to deskew long cables of pair-to-pair skew of up to +/−1 LVDS data bit time (up to 80 MHz Clock Rate). These three enhancements allow cables 5+ meters in length to be driven.

The chipset is an ideal means to solve EMI and cable size problems associated with wide, high speed TTL interfaces.

  • 3.168 Gbits/sec Bandwidth with 66 MHz Clock
  • 5.376 Gbits/sec Bandwidth with 112 MHz Clock
  • 65 - 112 MHz Input Clock Support
  • LVDS SER/DES Reduces Cable and Connector Size
  • Pre-Emphasis Reduces Cable Loading Effects
  • Optional DC Balance Encoding Reduces ISI Distortion
  • Cable Deskew of +/−1 LVDS Data Bit Time (up to 80 MHz Clock Rate)
  • 5V Tolerant TxIN and Control Input Pins
  • Flow Through Pinout for Easy PCB Design
  • +3.3V Supply Voltage
  • Transmitter Rejects Cycle-to-Cycle Jitter
  • Conforms to ANSI/TIA/EIA-644-1995 LVDS Standard

All trademarks are the property of their respective owners.

ProtocolsCatalog
RatingCatalog
Operating temperature range (°C)-10 to 70
QFP (NEZ)100256 mm² 16 x 16
产品购买
  • 商品型号
  • 封装
  • 工作温度
  • 包装
  • 价格
  • 现货库存
  • 操作
10s
温馨提示:
订单商品问题请移至我的售后服务提交售后申请,其他需投诉问题可移至我的投诉提交,我们将在第一时间给您答复
返回顶部