h1_key

TI(德州仪器) SN75HVD12
德州仪器 (TI) 全系列产品在线购买
  • TI(德州仪器) SN75HVD12
  • TI(德州仪器) SN75HVD12
  • TI(德州仪器) SN75HVD12
  • TI(德州仪器) SN75HVD12
  • TI(德州仪器) SN75HVD12
  • TI(德州仪器) SN75HVD12
立即查看
您当前的位置: 首页 > 接口 > RS-485 和 RS-422 收发器 > SN75HVD12
SN75HVD12

SN75HVD12

正在供货

3.3V 差分收发器

产品详情
  • 说明
  • 特性
  • 参数
  • 封装 | 引脚 | 尺寸

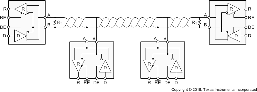
SN65HVD10、SN75HVD10、SN65HVD11、SN75HVD11、SN65HVD12 和 SN75HVD12 总线收发器都整合了一个三态差分线路驱动器,以及一个使用 3.3V 单电源供电的差分输入线路接收器。这些器件专为平衡传输线路而设计,符合或超过 ANSI 标准 TIA/EIA-485-A 和 ISO 8482:1993。这些差分总线收发器是单片集成电路,旨在用于多点总线传输线路上的双向数据通信。驱动器和接收器具有高电平有效和低电平有效使能端,它们可以在外部连接在一起以用作方向控制。可以通过禁用驱动器和接收器来实现极低的器件待机电源电流。

驱动器差分输出端和接收器差分输入端在内部连接以形成差分输入/输出 (I/O) 总线端口,该端口设计用于在禁用驱动器或 VCC = 0 时为总线提供最小负载。这些器件具有较宽的正负共模电压范围,因此适用于共线应用。

  • 使用 3.3V 电源供电
  • 总线引脚 ESD 保护超过16kV HBM
  • 可提供 1/8 单位负载选项(总线上多达 256 个节点)
  • 信号传输速率的可选驱动器输出转换次数有 (1)1 Mbps、10 Mbps 和 32Mbps 可选
  • 符合或超出 ANSI TIA/EIA-485-A 的要求
  • –7V 至 12V 的总线引脚短路保护
  • 低电流待机模式:1µA,典型值
  • 开路、空闲总线和短接总线失效防护接收器
  • 热关机保护
  • 用于热插拔应用的无干扰上电和断电保护
  • SN75176 封装

(1)线路的信号传输速率是指每秒钟的电压转换次数,单位为 bps(每秒比特数)。

Number of receivers1
Number of transmitters1
DuplexHalf
Supply voltage (nom) (V)3.3
Signaling rate (max) (MBits)1
Fault protection (V)-9 to 14
Common-mode range (V)-7 to 12
Number of nodes256
IsolatedNo
Supply current (max) (µA)15500
RatingCatalog
Operating temperature range (°C)0 to 70
PDIP (P)892.5083 mm² 9.81 x 9.43
产品购买
  • 商品型号
  • 封装
  • 工作温度
  • 包装
  • 价格
  • 现货库存
  • 操作
10s
温馨提示:
订单商品问题请移至我的售后服务提交售后申请,其他需投诉问题可移至我的投诉提交,我们将在第一时间给您答复
返回顶部