h1_key

TI(德州仪器) SCAN921260
德州仪器 (TI) 全系列产品在线购买
  • TI(德州仪器) SCAN921260
  • TI(德州仪器) SCAN921260
  • TI(德州仪器) SCAN921260
  • TI(德州仪器) SCAN921260
  • TI(德州仪器) SCAN921260
  • TI(德州仪器) SCAN921260
立即查看
您当前的位置: 首页 > 接口 > 其他接口 > SCAN921260
SCAN921260

SCAN921260

正在供货

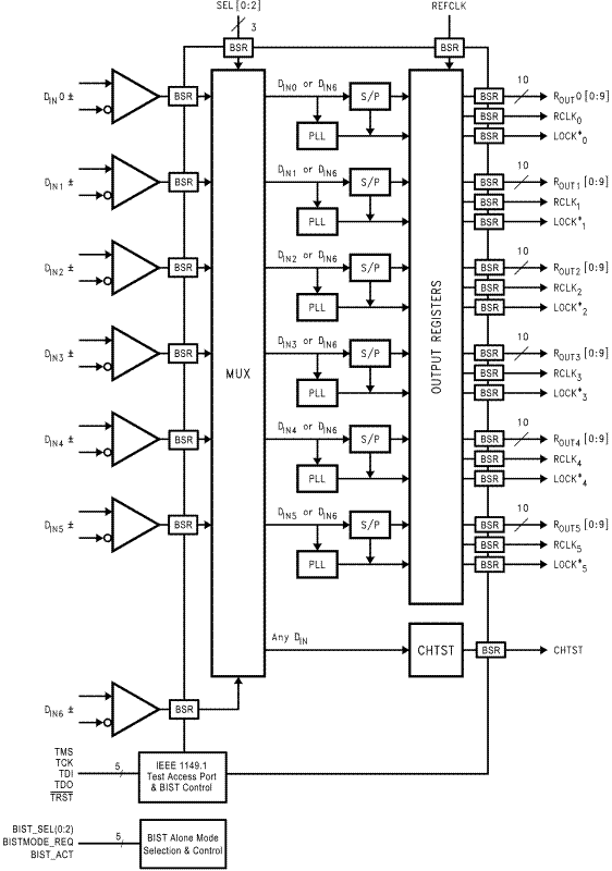
具有 IEEE 1149.1 和全速度 BIST 的六个 1 至 10 解串器

产品详情
  • 说明
  • 特性
  • 参数
  • 封装 | 引脚 | 尺寸

The SCAN921260 integrates six deserializer devices into a single chip. The SCAN921260 can simultaneously deserialize up to six data streams that have been serialized by the Texas Instruments SCAN921023 Bus LVDS serializer. The device also includes a seventh serial input channel that serves as a redundant input.

Each deserializer block in the SCAN921260 operates independently with its own clock recovery circuitry and lock-detect signaling.

The SCAN921260 uses a single +3.3V power supply with an estimated power dissipation of 1.2W at 3.3V with a PRBS-15 pattern. Refer to the Connection Diagrams for packaging information.

  • IEEE 1149.1 (JTAG) Compliant and At-Speed BIST Test Modes
  • Deserializes One to Six BusLVDS Input Serial Data Streams With Embedded Clocks
  • Seven Selectable Serial Inputs to Support N+1 Redundancy of Deserialized Streams
  • Seventh Channel Has Single Pin Monitor Output That Reflects Input From Seventh Channel Input
  • Parallel Clock Rate Up To 66 MHz
  • On Chip Filtering for PLL
  • High Impedance Inputs Upon Power Off (Vcc = 0V)
  • Single Power Supply at +3.3V
  • 196-Pin NFBGA Package (Low-Profile Ball Grid Array) Package
  • Industrial Temperature Range Operation: −40 to +85

All trademarks are the property of their respective owners.

ProtocolsCatalog
RatingCatalog
Operating temperature range (°C)-40 to 85
NFBGA (NZH)196225 mm² 15 x 15
产品购买
  • 商品型号
  • 封装
  • 工作温度
  • 包装
  • 价格
  • 现货库存
  • 操作
10s
温馨提示:
订单商品问题请移至我的售后服务提交售后申请,其他需投诉问题可移至我的投诉提交,我们将在第一时间给您答复
返回顶部