h1_key

TI(德州仪器) SCAN92LV090
德州仪器 (TI) 全系列产品在线购买
  • TI(德州仪器) SCAN92LV090
  • TI(德州仪器) SCAN92LV090
  • TI(德州仪器) SCAN92LV090
  • TI(德州仪器) SCAN92LV090
  • TI(德州仪器) SCAN92LV090
  • TI(德州仪器) SCAN92LV090
立即查看
您当前的位置: 首页 > 接口 > LVDS、M-LVDS 和 PECL IC > SCAN92LV090
SCAN92LV090

SCAN92LV090

正在供货

具有边界扫描功能的 9 通道总线 LVDS 收发器

产品详情
  • 说明
  • 特性
  • 参数
  • 封装 | 引脚 | 尺寸

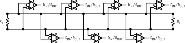
The SCAN92LV090A is one in a series of Bus LVDS transceivers designed specifically for the high speed, low power proprietary backplane or cable interfaces. The device operates from a single 3.3V power supply and includes nine differential line drivers and nine receivers. To minimize bus loading, the driver outputs and receiver inputs are internally connected. The separate I/O of the logic side allows for loop back support. The device also features a flow through pin out which allows easy PCB routing for short stubs between its pins and the connector.

The driver translates 3V TTL levels (single-ended) to differential Bus LVDS (BLVDS) output levels. This allows for high speed operation, while consuming minimal power with reduced EMI. In addition, the differential signaling provides common mode noise rejection of ±1V.

The receiver threshold is less than ±100 mV over a ±1V common mode range and translates the differential Bus LVDS to standard (TTL/CMOS) levels.

This device is compliant with IEEE 1149.1 Standard Test Access Port and Boundary Scan Architecture with the incorporation of the defined boundary-scan test logic and test access port consisting of Test Data Input (TDI), Test Data Out (TDO), Test Mode Select (TMS), Test Clock (TCK), and the optional Test Reset (TRST).

  • IEEE 1149.1 (JTAG) Compliant
  • Bus LVDS Signaling
  • Low Power CMOS Design
  • High Signaling Rate Capability (Above 100 Mbps)
  • 0.1V to 2.3V Common Mode Range for VID = 200mV
  • ±100 mV Receiver Sensitivity
  • Supports Open and Terminated Failsafe on Port Pins
  • 3.3V Operation
  • Glitch Free Power Up/Down (Driver & Receiver Disabled)
  • Light Bus Loading (5 pF Typical) per Bus LVDS Load
  • Designed for Double Termination Applications
  • Balanced Output Impedance
  • Product Offered in 64 Pin LQFP Package and NFBGA Package
  • High Impedance Bus Pins on Power Off (VCC = 0V)

All trademarks are the property of their respective owners.

FunctionTransceiver
ProtocolsBLVDS, JTAG IEEE1149.1
Number of transmitters9
Number of receivers9
Supply voltage (V)3.3
Signaling rate (MBits)100
Input signalBLVDS, LVCMOS, LVDS, LVTTL
Output signalBLVDS
RatingCatalog
Operating temperature range (°C)-40 to 85
LQFP (PM)64144 mm² 12 x 12
NFBGA (NZC)6464 mm² 8 x 8
产品购买
  • 商品型号
  • 封装
  • 工作温度
  • 包装
  • 价格
  • 现货库存
  • 操作
10s
温馨提示:
订单商品问题请移至我的售后服务提交售后申请,其他需投诉问题可移至我的投诉提交,我们将在第一时间给您答复
返回顶部