h1_key

TI(德州仪器) SN65LBC173A
德州仪器 (TI) 全系列产品在线购买
  • TI(德州仪器) SN65LBC173A
  • TI(德州仪器) SN65LBC173A
  • TI(德州仪器) SN65LBC173A
  • TI(德州仪器) SN65LBC173A
  • TI(德州仪器) SN65LBC173A
  • TI(德州仪器) SN65LBC173A
立即查看
您当前的位置: 首页 > 接口 > RS-485 和 RS-422 收发器 > SN65LBC173A
SN65LBC173A

SN65LBC173A

正在供货

四路 RS-485 差分线路接收器

产品详情
  • 说明
  • 特性
  • 参数
  • 封装 | 引脚 | 尺寸

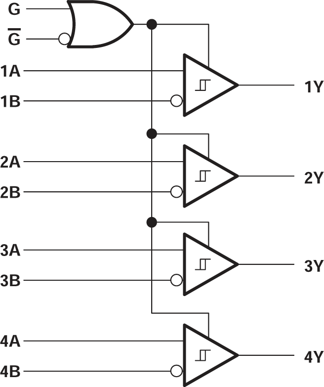
SN65LBC173A 和 SN75LBC173A 是具有三态输出的四通道差分线路接收器,专为 TIA/EIA-485 (RS-485)、TIA/EIA-422 (RS-422) 和 ISO 8482 (Euro RS-485) 应用而设计。

当数据速率高达甚至超过每秒 5000 万位时,该器件针对均衡后的多点总线通信进行了优化。传输介质可采用双绞线电缆、印刷电路板走线或背板。最终数据传输速率和距离取决于介质衰减特性和环境噪声耦合。

每个接收器都可在较宽的正负共模输入电压范围内运行,并具有高达 6kV 的 ESD 保护,使其适用于恶劣环境中的高速多点数据传输应用。这些器件采用 LinBiCMOSt 进行设计,有助于实现低功耗和稳健性。

G 和 G 输入为正/负逻辑提供使能控制逻辑,从而使能全部四个驱动器。禁用或关闭器件后,接收器输入针对总线呈现高阻抗状态,从而降低系统负载。

SN75LBC173A 可在 0°C 至 70°C 的工作温度范围内运行。SN65LBC173A 可在 -40°C 至 85°C 的温度范围内运行。

  • 专为 TIA/EIA-485、TIA/EIA-422 和 ISO 8482 应用而设计
  • 信号传输速率(1)超出 50Mbps
  • 在总线短路、开路和空闲总线情况下提供失效防护
  • 为总线输入提供的静电放电 (ESD) 保护电压超过 6kV
  • 共模总线电压输入范围:-7V 至 12V
  • 传播延迟时间 < 16ns
  • 低待机功耗 < 20µA
  • 针对 AM26LS32、DS96F173、LTC488 和 SN75173 进行引脚兼容升级

(1)线路的信号传输速率是每秒进行电压转换的次数,以单位 bps(每秒位数)来表示。

Number of receivers4
Number of transmitters0
Supply voltage (nom) (V)5
Signaling rate (max) (MBits)50
Fault protection (V)-10 to 15
Common-mode range (V)-7 to 12
Number of nodes32
IsolatedNo
Supply current (max) (µA)20000
RatingCatalog
Operating temperature range (°C)-40 to 85
PDIP (N)16181.42 mm² 19.3 x 9.4
SOIC (D)1659.4 mm² 9.9 x 6
产品购买
  • 商品型号
  • 封装
  • 工作温度
  • 包装
  • 价格
  • 现货库存
  • 操作
10s
温馨提示:
订单商品问题请移至我的售后服务提交售后申请,其他需投诉问题可移至我的投诉提交,我们将在第一时间给您答复
返回顶部