h1_key

TI(德州仪器) SN65ALS1176
德州仪器 (TI) 全系列产品在线购买
  • TI(德州仪器) SN65ALS1176
  • TI(德州仪器) SN65ALS1176
  • TI(德州仪器) SN65ALS1176
  • TI(德州仪器) SN65ALS1176
  • TI(德州仪器) SN65ALS1176
  • TI(德州仪器) SN65ALS1176
立即查看
您当前的位置: 首页 > 接口 > RS-485 和 RS-422 收发器 > SN65ALS1176
SN65ALS1176

SN65ALS1176

正在供货

差分总线收发器

产品详情
  • 说明
  • 特性
  • 参数
  • 封装 | 引脚 | 尺寸

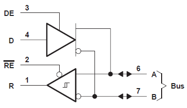
SN65ALS1176 差分总线收发器旨在实现多点总线传输线路上的双向数据通信。该器件专为平衡传输线路而设计,符合 TIA/EIA-422-B 和 TIA/EIA-485-A 以及 ITU 建议 V.11 和 X.27。

SN65ALS1176 将一个三态差分线路驱动器和一个差分输入线路接收器组合在一起,这两个器件由一个 5V 单电源供电。驱动器和接收器分别具有高电平有效和低电平有效使能端,它们可以在外部连接在一起以用作方向控制。驱动器差分输出端和接收器差分输入端在内部连接以形成差分输入/输出 (I/O) 总线端口,这些端口用于在禁用驱动器或 VCC = 0 时为总线提供最小负载。该端口具有正负宽共模电压范围,使得该器件非常适用于合用线应用。

SN65ALS1176 的额定工作温度范围是 –25°C 至 85°C。

  • 符合或超出 TIA/EIA-422-B、TIA/EIA-485-A 和 ITU 建议 V.11 和 X.27 的要求
  • 在高达 35MBaud 的数据速率下运行
  • 工作温度范围:–25°C 至 85°C
  • 适用于嘈杂环境中的长距离总线线路上的多点传输
  • 低电源电流要求:30 mA(最大值)
  • 宽正负输入/输出总线电压范围
  • 热关断保护
  • 驱动器正负电流限制
  • 接收器输入迟滞
  • 无干扰上电和断电保护
  • 接收器开路失效防护设计
  • 封装选项包括塑料小外形尺寸 (D) 封装和 (P) 突降
Number of receivers1
Number of transmitters1
DuplexHalf
Supply voltage (nom) (V)5
Signaling rate (max) (MBits)40
IEC 61000-4-2 contact (±V)None
Fault protection (V)-9 to 14
Common-mode range (V)-7 to 12
Number of nodes32
IsolatedNo
Supply current (max) (µA)30000
RatingCatalog
Operating temperature range (°C)-25 to 85
SOIC (D)829.4 mm² 4.9 x 6
产品购买
  • 商品型号
  • 封装
  • 工作温度
  • 包装
  • 价格
  • 现货库存
  • 操作
10s
温馨提示:
订单商品问题请移至我的售后服务提交售后申请,其他需投诉问题可移至我的投诉提交,我们将在第一时间给您答复
返回顶部