h1_key

TI(德州仪器) DS90C032QML-SP
德州仪器 (TI) 全系列产品在线购买
  • TI(德州仪器) DS90C032QML-SP
  • TI(德州仪器) DS90C032QML-SP
  • TI(德州仪器) DS90C032QML-SP
  • TI(德州仪器) DS90C032QML-SP
  • TI(德州仪器) DS90C032QML-SP
  • TI(德州仪器) DS90C032QML-SP
立即查看
您当前的位置: 首页 > 接口 > LVDS、M-LVDS 和 PECL IC > DS90C032QML-SP
DS90C032QML-SP

DS90C032QML-SP

正在供货

LVDS 四路 CMOS 差分线路接收器

产品详情
  • 说明
  • 特性
  • 参数
  • 封装 | 引脚 | 尺寸

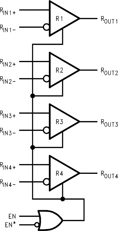
The DS90C032 is a quad CMOS differential line receiver designed for applications requiring ultra low power dissipation and high data rates.

The DS90C032 accepts low voltage differential input signals and translates them to CMOS (TTL compatible) output levels. The receiver supports a TRI-STATE function that may be used to multiplex outputs. The receiver also supports OPEN Failsafe and terminated (100Ω) input Failsafe with the addition of external failsafe biasing. Receiver output will be HIGH for both Failsafe conditions.

The DS90C032 provides power-off high impedance LVDS inputs. This feature assures minimal loading effect on the LVDS bus lines when VCC is not present.

The DS90C032 and companion line driver (DS90C031) provide a new alternative to high power pseudo-ECL devices for high speed point-to-point interface applications.

  • Single Event Latchup (SEL) Immune 120 MeV-cm2/mg
  • High Impedance LVDS Inputs with Power-Off.
  • Accepts Small Swing (330 mV) Differential Signal Levels
  • Low Power Dissipation
  • Low Differential Skew
  • Low Chip to Chip Skew
  • Pin Compatible with DS26C32A
  • Compatible with IEEE 1596.3 SCI LVDS Standard

All trademarks are the property of their respective owners.

FunctionReceiver
ProtocolsLVDS
Number of transmitters0
Number of receivers4
Supply voltage (V)5
Signaling rate (MBits)155.5
Input signalLVDS
Output signalTTL
RatingSpace
Operating temperature range (°C)-55 to 125
CFP (NAC)1662.9285 mm² 9.91 x 6.35
CFP (NAD)1662.9285 mm² 9.91 x 6.35
DIESALE (Y)See data sheet
产品购买
  • 商品型号
  • 封装
  • 工作温度
  • 包装
  • 价格
  • 现货库存
  • 操作

很抱歉,暂时无法提供与“DS90C032QML-SP”系列相匹配的产品,您可以联系专属客服快速找货或在现货搜索框中重新搜索。

10s
温馨提示:
订单商品问题请移至我的售后服务提交售后申请,其他需投诉问题可移至我的投诉提交,我们将在第一时间给您答复
返回顶部