h1_key

TI(德州仪器) DS90CP22
德州仪器 (TI) 全系列产品在线购买
  • TI(德州仪器) DS90CP22
  • TI(德州仪器) DS90CP22
  • TI(德州仪器) DS90CP22
  • TI(德州仪器) DS90CP22
  • TI(德州仪器) DS90CP22
  • TI(德州仪器) DS90CP22
立即查看
您当前的位置: 首页 > 接口 > LVDS、M-LVDS 和 PECL IC > DS90CP22
DS90CP22

DS90CP22

正在供货

800Mbps 2x2 LVDS 交叉点开关

产品详情
  • 说明
  • 特性
  • 参数
  • 封装 | 引脚 | 尺寸

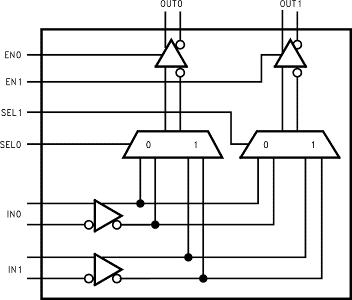
DS90CP22 is a 2x2 crosspoint switch utilizing LVDS (Low Voltage Differential Signaling) technology for low power, high speed operation. Data paths are fully differential from input to output for low noise generation and low pulse width distortion. The non-blocking design allows connection of any input to any output or outputs. LVDS I/O enable high speed data transmission for point-to-point interconnects. This device can be used as a high speed differential crosspoint, 2:1 mux, 1:2 demux, repeater or 1:2 signal splitter. The mux and demux functions are useful for switching between primary and backup circuits in fault tolerant systems. The 1:2 signal splitter and 2:1 mux functions are useful for distribution of serial bus across several rack-mounted backplanes.

The DS90CP22 accepts LVDS signal levels, LVPECL levels directly or PECL with attenuation networks.

The individual LVDS outputs can be put into TRI-STATE by use of the enable pins.

For more details, please refer to the section of this datasheet.

  • DC - 800 Mbps Low Jitter, Low Skew Operation
  • 65 ps (typ) of Pk-Pk Jitter with PRBS = 223−1 Data Pattern at 800 Mbps
  • Single +3.3 V Supply
  • Less than 330 mW (typ) Total Power Dissipation
  • Non-Blocking "'Switch Architecture"'
  • Balanced Output Impedance
  • Output Channel-to-Channel Skew is 35 ps (typ)
  • Configurable as 2:1 mux, 1:2 demux, Repeater or 1:2 Signal Splitter
  • LVDS Receiver Inputs Accept LVPECL Signals
  • Fast Switch Time of 1.2ns (typ)
  • Fast Propagation Delay of 1.3ns (typ)
  • Receiver Input Threshold < ±100 mV
  • Available in 16 Lead TSSOP and SOIC Packages
  • Conforms to ANSI/TIA/EIA-644-1995 LVDS Standard
  • Operating Temperature: −40°C to +85°C

All trademarks are the property of their respective owners.

FunctionCrosspoint
ProtocolsLVDS, LVPECL
Number of transmitters2
Number of receivers2
Supply voltage (V)3.3
Signaling rate (MBits)800
Input signalCML, LVDS, LVPECL
Output signalLVDS
RatingCatalog
Operating temperature range (°C)-40 to 85
SOIC (D)1659.4 mm² 9.9 x 6
TSSOP (PW)1632 mm² 5 x 6.4
产品购买
  • 商品型号
  • 封装
  • 工作温度
  • 包装
  • 价格
  • 现货库存
  • 操作
10s
温馨提示:
订单商品问题请移至我的售后服务提交售后申请,其他需投诉问题可移至我的投诉提交,我们将在第一时间给您答复
返回顶部