h1_key

TI(德州仪器) DS90CF388
德州仪器 (TI) 全系列产品在线购买
  • TI(德州仪器) DS90CF388
  • TI(德州仪器) DS90CF388
  • TI(德州仪器) DS90CF388
  • TI(德州仪器) DS90CF388
  • TI(德州仪器) DS90CF388
  • TI(德州仪器) DS90CF388
立即查看
您当前的位置: 首页 > 接口 > 其他接口 > DS90CF388
DS90CF388

DS90CF388

正在供货

+3.3V 双像素 LVDS 显示接口 (LDI)-SVGA/QXGA 接收器

产品详情
  • 说明
  • 特性
  • 参数
  • 封装 | 引脚 | 尺寸

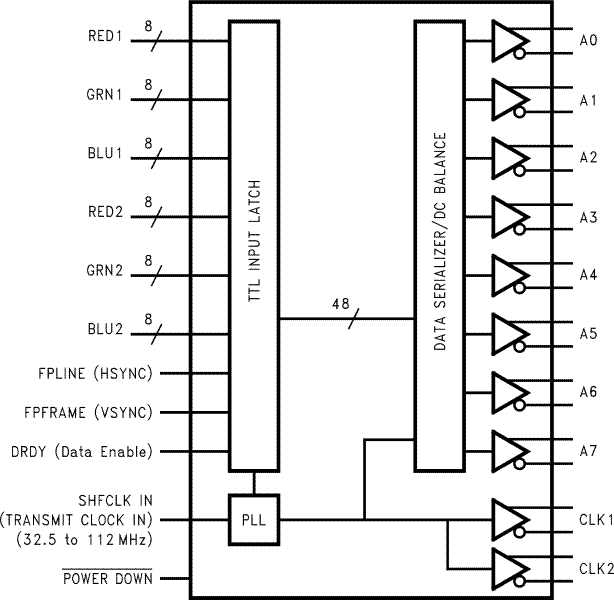
The DS90C387/DS90CF388 transmitter/receiver pair is designed to support dual pixel data transmission between Host and Flat Panel Display up to QXGA resolutions. The transmitter converts 48 bits (Dual Pixel 24-bit color) of CMOS/TTL data into 8 LVDS (Low Voltage Differential Signalling) data streams. Control signals (VSYNC, HSYNC, DE and two user-defined signals) are sent during blanking intervals. At a maximum dual pixel rate of 112MHz, LVDS data line speed is 672Mbps, providing a total throughput of 5.38Gbps (672 Megabytes per second). Two other modes are also supported. 24-bit color data (single pixel) can be clocked into the transmitter at a maximum rate of 170MHz. In this mode, the transmitter provides single-to-dual pixel conversion, and the output LVDS clock rate is 85MHz maximum. The third mode provides inter-operability with FPD-Link devices.

The LDI chipset is improved over prior generations of FPD-Link devices and offers higher bandwidth support and longer cable drive with three areas of enhancement. To increase bandwidth, the maximum pixel clock rate is increased to 112 (170) MHz and 8 serialized LVDS outputs are provided. Cable drive is enhanced with a user selectable pre-emphasis feature that provides additional output current during transitions to counteract cable loading effects. DC balancing on a cycle-to-cycle basis, is also provided to reduce ISI (Inter-Symbol Interference). With pre-emphasis and DC balancing, a low distortion eye-pattern is provided at the receiver end of the cable. A cable deskew capability has been added to deskew long cables of pair-to-pair skew of up to +/−1 LVDS data bit time (up to 80 MHz Clock Rate). These three enhancements allow cables 5+ meters in length to be driven. This chipset is an ideal means to solve EMI and cable size problems for high-resolution flat panel applications. It provides a reliable interface based on LVDS technology that delivers the bandwidth needed for high-resolution panels while maximizing bit times, and keeping clock rates low to reduce EMI and shielding requirements. For more details, please refer to .

  • Complies with OpenLDI Specification for Digital Display Interfaces
  • 32.5 to 112/170MHz Clock Support for DS90C387, 40 to 112MHz Clock Support for DS90CF388
  • Supports SVGA through QXGA Panel Resolutions
  • Drives Long, Low Cost Cables
  • Up to 5.38Gbps Bandwidth
  • Pre-Emphasis Reduces Cable Loading Effects
  • DC Balance Data Transmission Provided by Transmitter Reduces ISI Distortion
  • Cable Deskew of +/−1 LVDS Data Bit Time (up to 80 MHz Clock Rate) of Pair-to-Pair Skew at Receiver Inputs; Intra-Pair Skew Tolerance of 300ps
  • Dual Pixel Architecture Supports Interface to GUI and Timing Controller; Optional Single Pixel Transmitter Inputs Support Single Pixel GUI Interface
  • Transmitter Rejects Cycle-to-Cycle Jitter
  • 5V Tolerant on Data and Control Input Pins
  • Programmable Transmitter Data and Control Strobe Select (Rising or Falling Edge Strobe)
  • Backward Compatible Configuration Select with FPD-Link
  • Optional Second LVDS Clock for Backward Compatibility w/ FPD-Link
  • Support for Two Additional User-Defined Control Signals in DC Balanced Mode
  • Compatible with ANSI/TIA/EIA-644-1995 LVDS Standard

All trademarks are the property of their respective owners.

ProtocolsCatalog
RatingCatalog
Operating temperature range (°C)-10 to 70
QFP (NEZ)100256 mm² 16 x 16
产品购买
  • 商品型号
  • 封装
  • 工作温度
  • 包装
  • 价格
  • 现货库存
  • 操作
10s
温馨提示:
订单商品问题请移至我的售后服务提交售后申请,其他需投诉问题可移至我的投诉提交,我们将在第一时间给您答复
返回顶部