h1_key

TI(德州仪器) DS90LV047A
德州仪器 (TI) 全系列产品在线购买
  • TI(德州仪器) DS90LV047A
  • TI(德州仪器) DS90LV047A
  • TI(德州仪器) DS90LV047A
  • TI(德州仪器) DS90LV047A
  • TI(德州仪器) DS90LV047A
  • TI(德州仪器) DS90LV047A
立即查看
您当前的位置: 首页 > 接口 > LVDS、M-LVDS 和 PECL IC > DS90LV047A
DS90LV047A

DS90LV047A

正在供货

400Mbps LVDS 四路高速差分驱动器

产品详情
  • 说明
  • 特性
  • 参数
  • 封装 | 引脚 | 尺寸

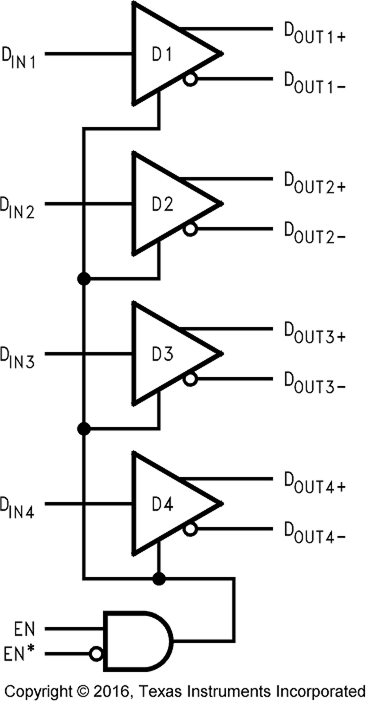
The DS90LV047A device is a quad CMOS flow-through differential line driver designed for applications requiring ultra-low power dissipation and high data rates. The device is designed to support data rates in excess of 400 Mbps (200 MHz) using Low Voltage Differential Signaling (LVDS) technology.

The DS90LV047A accepts low voltage TTL/CMOS input levels and translates them to low voltage (350 mV) differential output signals. In addition, the driver supports a TRI-STATE function that may be used to disable the output stage, disabling the load current, and thus dropping the device to an ultra low idle power state of 13 mW typical. The DS90LV047A has a flow-through pinout for easy PCB layout.

The EN and EN inputs are ANDed together and control the TRI-STATE outputs. The enables are common to all four drivers. The DS90LV047A and companion line receiver (DS90LV048A) provide a new alternative to high power psuedo-ECL devices for high speed point-to-point interface applications.

  • >400-Mbps (200 MHz) Switching Rates
  • Flow-Through Pinout Simplifies PCB Layout
  • 300-ps Typical Differential Skew
  • 400-ps Maximum Differential Skew
  • 1.7-ns Maximum Propagation Delay
  • 3.3-V Power Supply Design
  • ±350-mV Differential Signaling
  • Low Power Dissipation (13 mW at 3.3-V Static)
  • Interoperable With Existing 5-V LVDS Receivers
  • High impedance on LVDS Outputs on Power Down
  • Conforms to TIA/EIA-644 LVDS Standard
  • Industrial Operating Temperature Range (–40°C to +85°C)
  • Available in Surface Mount SOIC and Low Profile TSSOP Package
FunctionDriver
ProtocolsLVDS
Number of transmitters4
Number of receivers0
Supply voltage (V)3.3
Signaling rate (MBits)400
Input signalCMOS, LVTTL, TTL
Output signalLVDS
RatingCatalog
Operating temperature range (°C)-40 to 85
SOIC (D)1659.4 mm² 9.9 x 6
TSSOP (PW)1632 mm² 5 x 6.4
产品购买
  • 商品型号
  • 封装
  • 工作温度
  • 包装
  • 价格
  • 现货库存
  • 操作
10s
温馨提示:
订单商品问题请移至我的售后服务提交售后申请,其他需投诉问题可移至我的投诉提交,我们将在第一时间给您答复
返回顶部