h1_key

TI(德州仪器) DS90CF384A
德州仪器 (TI) 全系列产品在线购买
  • TI(德州仪器) DS90CF384A
  • TI(德州仪器) DS90CF384A
  • TI(德州仪器) DS90CF384A
  • TI(德州仪器) DS90CF384A
  • TI(德州仪器) DS90CF384A
  • TI(德州仪器) DS90CF384A
立即查看
您当前的位置: 首页 > 接口 > 高速串行器/解串器 > FPD-Link 串行器/解串器 > DS90CF384A
DS90CF384A

DS90CF384A

正在供货

+3.3V LVDS 接收器 24 位平板显示 (FPD) 链接 - 65MHz

产品详情
  • 说明
  • 特性
  • 参数
  • 封装 | 引脚 | 尺寸

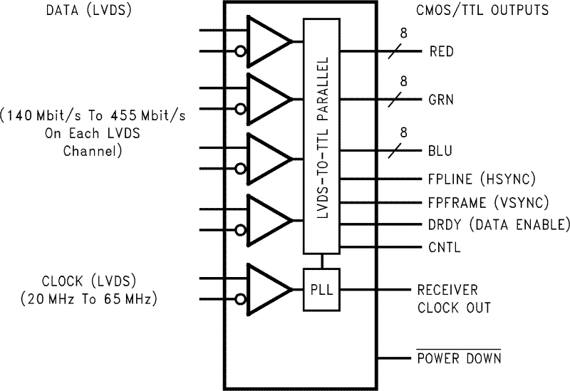
The DS90CF384A receiver converts the four LVDS data streams (Up to 1.8 Gbps throughput or 227 Megabytes/sec bandwidth) back into parallel 28 bits of CMOS/TTL data (24 bits of RGB and 4 bits of Hsync, Vsync, DE and CNTL). Also available is the DS90CF364A that converts the three LVDS data streams (Up to 1.3 Gbps throughput or 170 Megabytes/sec bandwidth) back into parallel 21 bits of CMOS/TTL data (18 bits of RGB and 3 bits of Hsync, Vsync and DE). Both Receivers' outputs are Falling edge strobe. A Rising edge or Falling edge strobe transmitter (DS90C383A/DS90C363A) will interoperate with a Falling edge strobe Receiver without any translation logic.

The DS90CF384A / DS90CF364A devices are enhanced over prior generation receivers and provided a wider data valid time on the receiver output.

This chipset is an ideal means to solve EMI and cable size problems associated with wide, high speed TTL interfaces.

  • 20 to 65 MHz Shift Clock Support
  • 50% Duty Cycle on Receiver Output Clock
  • Best-in-Class Set & Hold Times on RxOUTPUTs
  • Rx Power Consumption <142 mW (typ) @65MHz Grayscale
  • Rx Power-down Mode <200μW (max)
  • ESD Rating >7 kV (HBM), >700V (EIAJ)
  • Supports VGA, SVGA, XGA and Dual Pixel SXGA.
  • PLL Requires no External Components
  • Compatible with TIA/EIA-644 LVDS Standard
  • Low Profile 56-lead or 48-lead Packages

All trademarks are the property of their respective owners.

FunctionDeserializer
Color depth (bps)24
Input compatibilityFPD-Link LVDS
Output compatibilityLVCMOS
FeaturesLow-EMI Point-to-Point Communication
EMI reductionLVDS
RatingCatalog
Operating temperature range (°C)-10 to 70
TSSOP (DGG)56113.4 mm² 14 x 8.1
产品购买
  • 商品型号
  • 封装
  • 工作温度
  • 包装
  • 价格
  • 现货库存
  • 操作
10s
温馨提示:
订单商品问题请移至我的售后服务提交售后申请,其他需投诉问题可移至我的投诉提交,我们将在第一时间给您答复
返回顶部