h1_key

TI(德州仪器) DS90LV019
德州仪器 (TI) 全系列产品在线购买
  • TI(德州仪器) DS90LV019
  • TI(德州仪器) DS90LV019
  • TI(德州仪器) DS90LV019
  • TI(德州仪器) DS90LV019
  • TI(德州仪器) DS90LV019
  • TI(德州仪器) DS90LV019
立即查看
您当前的位置: 首页 > 接口 > LVDS、M-LVDS 和 PECL IC > DS90LV019
DS90LV019

DS90LV019

正在供货

3.3V 或 5V LVDS 驱动器和接收器

产品详情
  • 说明
  • 特性
  • 参数
  • 封装 | 引脚 | 尺寸

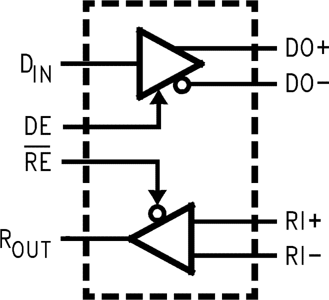
The DS90LV019 is a Driver/Receiver designed specifically for the high speed low power point-to-point interconnect applications. The device operates from a single 3.3V or 5.0V power supply and includes one differential line driver and one receiver. The DS90LV019 features an independent driver and receiver with TTL/CMOS compatibility (DIN and ROUT). The logic interface provides maximum flexibility as 4 separate lines are provided (DIN, DE, RE#, and ROUT). The device also features a flow-through pin out which allows easy PCB routing for short stubs between its pins and the connector. The driver has 3.5 mA output loop current.

The driver translates between TTL levels (single-ended) to Low Voltage Differential Signaling levels. This allows for high speed operation, while consuming minimal power with reduced EMI. In addition, the differential signaling provides common-mode noise rejection.

The receiver threshold is ±100 mV over a ±1V common-mode range and translates the low swing differential levels to standard (TTL/CMOS) levels.


  • LVDS Signaling
  • 3.3V or 5.0V operation
  • Low power CMOS design
  • Balanced Output Impedance
  • Glitch free power up/down (Driver disabled)
  • High Signaling Rate Capacity (above 100 Mbps)
  • Ultra Low Power Dissipation
  • ±1V Common-Mode Range
  • ±100 mV Receiver Sensitivity
  • Product offered in SOIC and TSSOP packages
  • Flow-Through Pin Out
  • Industrial Temperature Range Operation

TRI-STATE® is a registered trademark of National Semiconductor Corporation.

FunctionTransceiver
ProtocolsLVDS
Number of transmitters1
Number of receivers1
Supply voltage (V)3.3, 5
Signaling rate (MBits)100
Input signalCMOS, LVDS, LVTTL, TTL
Output signalLVDS, LVTTL, TTL
RatingCatalog
Operating temperature range (°C)-40 to 85
SOIC (D)1451.9 mm² 8.65 x 6
TSSOP (PW)1432 mm² 5 x 6.4
产品购买
  • 商品型号
  • 封装
  • 工作温度
  • 包装
  • 价格
  • 现货库存
  • 操作
10s
温馨提示:
订单商品问题请移至我的售后服务提交售后申请,其他需投诉问题可移至我的投诉提交,我们将在第一时间给您答复
返回顶部