h1_key

TI(德州仪器) DS90CR285
德州仪器 (TI) 全系列产品在线购买
  • TI(德州仪器) DS90CR285
  • TI(德州仪器) DS90CR285
  • TI(德州仪器) DS90CR285
  • TI(德州仪器) DS90CR285
  • TI(德州仪器) DS90CR285
  • TI(德州仪器) DS90CR285
立即查看
您当前的位置: 首页 > 接口 > 其他接口 > DS90CR285
DS90CR285

DS90CR285

正在供货

+3.3V 上升沿数据选通 LVDS 28 位 频道链接变送器 - 66MHz

产品详情
  • 说明
  • 特性
  • 参数
  • 封装 | 引脚 | 尺寸

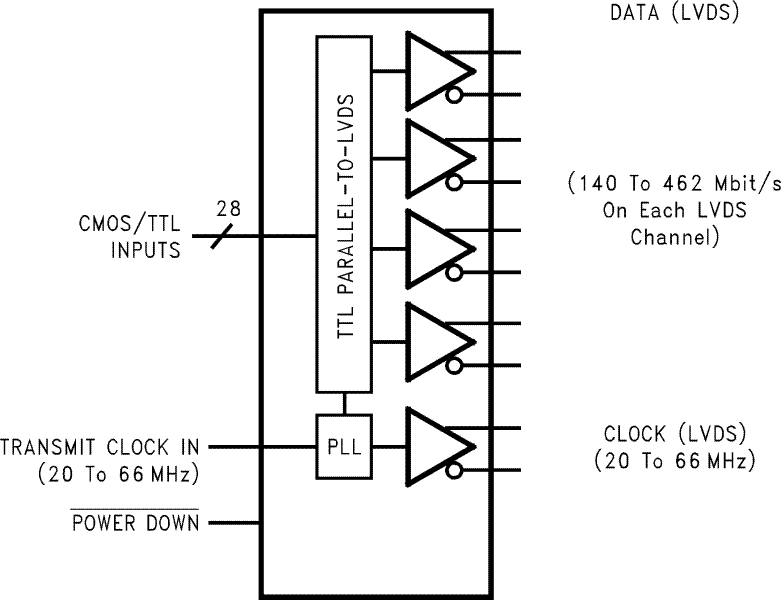
The DS90CR285 transmitter converts 28 bits of LVCMOS/LVTTL data into four LVDS (Low Voltage Differential Signaling) data streams. A phase-locked transmit clock is transmitted in parallel with the data streams over a fifth LVDS link. Every cycle of the transmit clock 28 bits of input data are sampled and transmitted. The DS90CR286 receiver converts the LVDS data streams back into 28 bits of LVCMOS/LVTTL data. At a transmit clock frequency of 66 MHz, 28 bits of TTL data are transmitted at a rate of 462 Mbps per LVDS data channel. Using a 66 MHz clock, the data throughput is 1.848 Gbit/s (231 Mbytes/s).

The multiplexing of the data lines provides a substantial cable reduction. Long distance parallel single-ended buses typically require a ground wire per active signal (and have very limited noise rejection capability). Thus, for a 28-bit wide data and one clock, up to 58 conductors are required. With the Channel Link chipset as few as 11 conductors (4 data pairs, 1 clock pair and a minimum of one ground) are needed. This provides a 80% reduction in required cable width, which provides a system cost savings, reduces connector physical size and cost, and reduces shielding requirements due to the cables' smaller form factor.

The 28 LVCMOS/LVTTL inputs can support a variety of signal combinations. For example, seven 4-bit nibbles or three 9-bit (byte + parity) and 1 control.

  • Single +3.3V Supply
  • Chipset (Tx + Rx) Power Consumption <250 mW (typ)
  • Power-Down Mode (<0.5 mW total)
  • Up to 231 Megabytes/sec Bandwidth
  • Up to 1.848 Gbps Data Throughput
  • Narrow Bus Reduces Cable Size
  • 290 mV Swing LVDS Devices for Low EMI
  • +1V Common Mode Range (Around +1.2V)
  • PLL Requires no External Components
  • Both Devices are Offered in a Low Profile 56-Lead TSSOP Package
  • Rising Edge Data Strobe
  • Compatible with TIA/EIA-644 LVDS Standard
  • ESD Rating > 7 kV
  • Operating Temperature: −40°C to +85°C

All trademarks are the property of their respective owners.

ProtocolsCatalog
RatingCatalog
Operating temperature range (°C)-40 to 85
TSSOP (DGG)56113.4 mm² 14 x 8.1
产品购买
  • 商品型号
  • 封装
  • 工作温度
  • 包装
  • 价格
  • 现货库存
  • 操作
10s
温馨提示:
订单商品问题请移至我的售后服务提交售后申请,其他需投诉问题可移至我的投诉提交,我们将在第一时间给您答复
返回顶部