h1_key

TI(德州仪器) SN65LBC184
德州仪器 (TI) 全系列产品在线购买
  • TI(德州仪器) SN65LBC184
  • TI(德州仪器) SN65LBC184
  • TI(德州仪器) SN65LBC184
  • TI(德州仪器) SN65LBC184
  • TI(德州仪器) SN65LBC184
  • TI(德州仪器) SN65LBC184
立即查看
您当前的位置: 首页 > 接口 > RS-485 和 RS-422 收发器 > SN65LBC184
SN65LBC184

SN65LBC184

正在供货

具有集成瞬态电压抑制功能的 RS-485 收发器

产品详情
  • 说明
  • 特性
  • 参数
  • 封装 | 引脚 | 尺寸

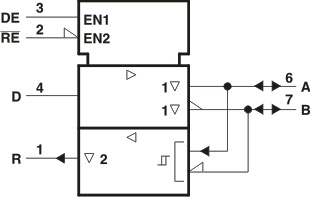
The SN75LBC184 and SN65LBC184 devices are differential data line transceivers in the trade-standard footprint of the SN75176 with built-in protection against high-energy noise transients. This feature provides a substantial increase in reliability for better immunity to noise transients coupled to the data cable over most existing devices. Use of these circuits provides a reliable low-cost direct-coupled (with no isolation transformer) data line interface without requiring any external components.

The SN75LBC184 and SN65LBC184 can withstand overvoltage transients of 400-W peak (typical). The conventional combination wave called out in IEC 61000-4-5 simulates the overvoltage transient and models a unidirectional surge caused by overvoltages from switching and secondary lightning transients.

  • Integrated Transient Voltage Suppression
  • ESD Protection for Bus Terminals Exceeds:
    ±30 kV IEC 61000-4-2, Contact Discharge
    ±15 kV IEC 61000-4-2, Air-Gap Discharge
    ±15 kV EIA/JEDEC Human Body Model
  • Circuit Damage Protection of 400-W Peak
    (Typical) Per IEC 61000-4-5
  • Controlled Driver Output-Voltage Slew Rates
    Allow Longer Cable Stub Lengths
  • 250-kbps in Electrically Noisy Environments
  • Open-Circuit Fail-Safe Receiver Design
  • 1/4 Unit Load Allows for 128 Devices Connected
    on Bus
  • Thermal Shutdown Protection
  • Power-Up and Power-Down Glitch Protection
  • Each Transceiver Meets or Exceeds the
    Requirements of TIA/EIA-485 (RS-485) and
    ISO/IEC 8482:1993(E) Standards
  • Low Disabled Supply Current 300 µA Maximum
  • Pin Compatible With SN75176
Number of receivers1
Number of transmitters1
DuplexHalf
Supply voltage (nom) (V)5
Signaling rate (max) (MBits)0.25
IEC 61000-4-2 contact (±V)30000
Fault protection (V)-15 to 15
Common-mode range (V)-7 to 12
Number of nodes128
FeaturesIEC ESD protection, Surge protection
IsolatedNo
Supply current (max) (µA)25000
RatingCatalog
Operating temperature range (°C)-40 to 85
PDIP (P)892.5083 mm² 9.81 x 9.43
SOIC (D)829.4 mm² 4.9 x 6
产品购买
  • 商品型号
  • 封装
  • 工作温度
  • 包装
  • 价格
  • 现货库存
  • 操作
10s
温馨提示:
订单商品问题请移至我的售后服务提交售后申请,其他需投诉问题可移至我的投诉提交,我们将在第一时间给您答复
返回顶部