h1_key

TI(德州仪器) DS36C200
德州仪器 (TI) 全系列产品在线购买
  • TI(德州仪器) DS36C200
  • TI(德州仪器) DS36C200
  • TI(德州仪器) DS36C200
  • TI(德州仪器) DS36C200
  • TI(德州仪器) DS36C200
  • TI(德州仪器) DS36C200
立即查看
您当前的位置: 首页 > 接口 > LVDS、M-LVDS 和 PECL IC > DS36C200
DS36C200

DS36C200

正在供货

双通道高速双向差分收发器

产品详情
  • 说明
  • 特性
  • 参数
  • 封装 | 引脚 | 尺寸

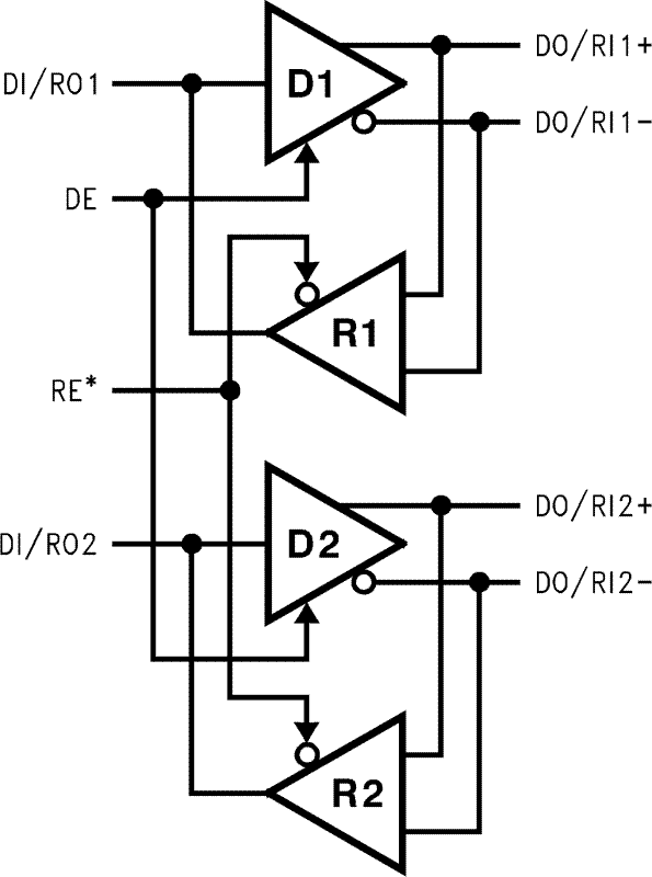
The DS36C200 is a dual transceiver device optimized for high data rate and low power applications. This device provides a single chip solution for a dual high speed bi-directional interface. Also, both control pins may be routed together for single bit control of datastreams. Both control pins are adjacent to each other for ease of routing them together. The DS36C200 is compatible with IEEE 1394 physical layer and may be used as an economical solution with some considerations. Please reference the application information on 1394 for more information. The device is in a 14-lead small outline package. The differential driver outputs provides low EMI with its low output swings typically 210 mV. The receiver offers ±100 mV threshold sensitivity, in addition to common-mode noise protection.

  • Optimized for DSS to DVHS Interface Link
  • Compatible IEEE 1394 Signaling Voltage Levels
  • Operates Above 100 Mbps
  • Bi-directional Transceivers
  • 14-lead SOIC Package
  • Ultra Low Power Dissipation
  • ±100 mV Receiver Sensitivity
  • Low Differential Output Swing Typical 210 mV
  • High Impedance During Power Off

All trademarks are the property of their respective owners.

FunctionTransceiver
ProtocolsLVDS
Number of transmitters2
Number of receivers2
Supply voltage (V)5
Signaling rate (MBits)100
Input signalLVDS, TTL
Output signalLVDS, TTL
RatingCatalog
Operating temperature range (°C)0 to 70
SOIC (D)1451.9 mm² 8.65 x 6
产品购买
  • 商品型号
  • 封装
  • 工作温度
  • 包装
  • 价格
  • 现货库存
  • 操作
10s
温馨提示:
订单商品问题请移至我的售后服务提交售后申请,其他需投诉问题可移至我的投诉提交,我们将在第一时间给您答复
返回顶部