h1_key

TI(德州仪器) TL16C750
德州仪器 (TI) 全系列产品在线购买
  • TI(德州仪器) TL16C750
  • TI(德州仪器) TL16C750
  • TI(德州仪器) TL16C750
  • TI(德州仪器) TL16C750
  • TI(德州仪器) TL16C750
  • TI(德州仪器) TL16C750
立即查看
您当前的位置: 首页 > 接口 > UART > TL16C750
TL16C750

TL16C750

正在供货

具有 64 字节 FIFO、自动流控制、低功耗模式的单路 UART

产品详情
  • 说明
  • 特性
  • 参数
  • 封装 | 引脚 | 尺寸

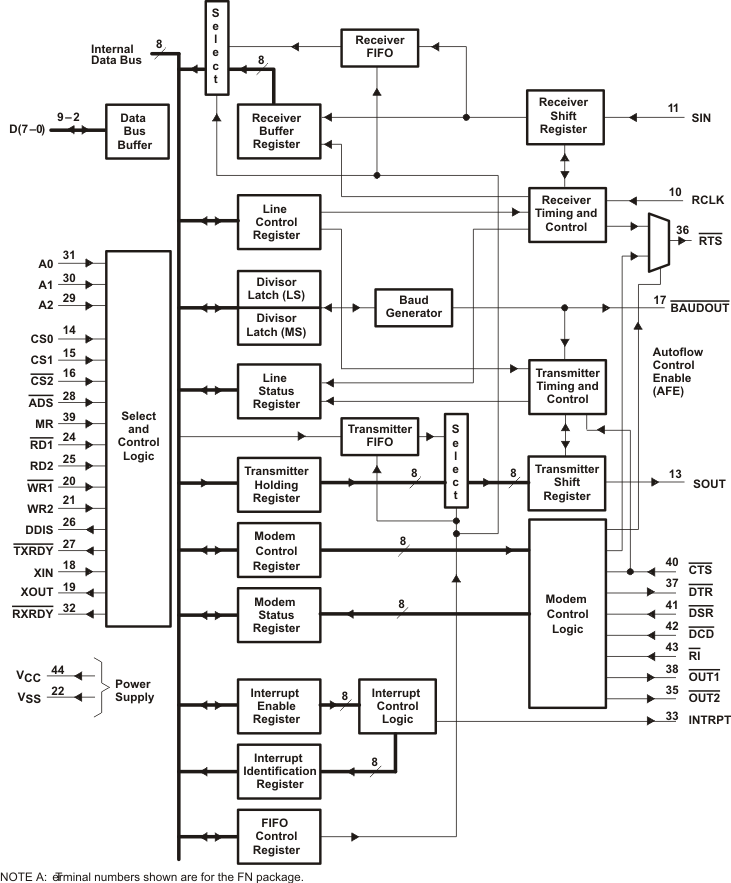
The TL16C750 is a functional upgrade of the TL16C550C asynchronous communications element (ACE), which in turn is a functional upgrade of the TL16C450. Functionally equivalent to the TL16C450 on power up (character or TL16C450 mode), the TL16C750, like the TL16C550C, can be placed in an alternate mode (FIFO mode). This relieves the CPU of excessive software overhead by buffering received and transmitted characters. The receiver and transmitter FIFOs store up to 64 bytes including three additional bits of error status per byte for the receiver FIFO. The user can choose between a 16-byte FIFO mode or an extended 64-byte FIFO mode. In the FIFO mode, there is a selectable autoflow control feature that can significantly reduce software overload and increase system efficiency by automatically controlling serial data flow through the RTS output and the CTS input signals (see Figure 1).

The TL16C750 performs serial-to-parallel conversion on data received from a peripheral device or modem and parallel-to-serial conversion on data received from its CPU. The CPU can read the ACE status at any time. The ACE includes complete modem control capability and a processor interrupt system that can be tailored to minimize software management of the communications link.

The TL16C750 ACE includes a programmable baud rate generator capable of dividing a reference clock by divisors from 1 to (216 - 1) and producing a 16× reference clock for the internal transmitter logic. Provisions are also included to use this 16× clock for the receiver logic. The ACE accommodates a 1-Mbaud serial rate (16-MHz input clock) so a bit time is 1 us and a typical character time is 10 us (start bit, 8 data bits, stop bit).

Two of the TL16C450 terminal functions have been changed to TXRDY and RXRDY, which provide signaling to a direct memory access (DMA) controller.

  • Pin-to-Pin Compatible With the Existing TL16C550B/C
  • Programmable 16- or 64-Byte FIFOs to Reduce CPU Interrupts
  • Programmable Auto- RTS and Auto- CTS
  • In Auto- CTS Mode, CTS Controls Transmitter
  • In Auto- RTS Mode, Receiver FIFO Contents and Threshold Control RTS
  • Serial and Modem Control Outputs Drive a RJ11 Cable Directly When Equipment Is on the Same Power Drop
  • Capable of Running With All Existing TL16C450 Software
  • After Reset, All Registers Are Identical to the TL16C450 Register Set
  • Up to 16-MHz Clock Rate for Up to 1-Mbaud Operation
  • In the TL16C450 Mode, Hold and Shift Registers Eliminate the Need for Precise Synchronization Between the CPU and Serial Data
  • Programmable Baud Rate Generator Allows Division of Any Input Reference Clock by 1 to (216-1) and Generates an Internal 16 × Clock
  • Standard Asynchronous Communication Bits (Start, Stop, and Parity) Added or Deleted to or From the Serial Data Stream
  • 5-V and 3-V Operation
  • Register Selectable Sleep Mode and Low-Power Mode
  • Independent Receiver Clock Input
  • Independently Controlled Transmit, Receive, Line Status, and Data Set Interrupts
  • Fully Programmable Serial Interface Characteristics:
    • 5-, 6-, 7-, or 8-Bit Characters
    • Even-, Odd-, or No-Parity Bit Generation and Detection
    • 1-, 11/2-, or 2-Stop Bit Generation
    • Baud Generation (DC to 1 Mbits Per Second)
  • False Start Bit Detection
  • Complete Status Reporting Capabilities
  • 3-State Output CMOS Drive Capabilities for Bidirectional Data Bus and Control Bus
  • Line Break Generation and Detection
  • Internal Diagnostic Capabilities:
    • Loopback Controls for Communications Link Fault Isolation
    • Break, Parity, Overrun, Framing Error Simulation
  • Fully Prioritized Interrupt System Controls
  • Modem Control Functions ( CTS, RTS, DSR, DTR, RI, and DCD)
  • Available in 44-Pin PLCC and 64-Pin SQFP
  • Industrial Temperature Range Available for 64-Pin SQFP

TL16C750
ASYNCHRONOUS COMMUNICATIONS ELEMENT
WITH 64-BYTE FIFOs AND AUTOFLOW CONTROL



SLLS191C - JANUARY 1995 - REVISED DECEMBER 1997


Number of channels1
FIFO (Byte)64
Rx FIFO trigger levels (#)4
Programmable FIFO trigger levelsNo
CPU interfaceX86
Baud rate at Vcc = 3.3 V & with 16x sampling (max) (MBps)0.875
Baud rate at Vcc = 5 V & with 16x sampling (max) (MBps)1
Operating voltage (V)3.3, 5
Auto RTS/CTSYes
RatingCatalog
Operating temperature range (°C)0 to 70
LQFP (PM)64144 mm² 12 x 12
PLCC (FN)44307.3009 mm² 17.53 x 17.53
产品购买
  • 商品型号
  • 封装
  • 工作温度
  • 包装
  • 价格
  • 现货库存
  • 操作
10s
温馨提示:
订单商品问题请移至我的售后服务提交售后申请,其他需投诉问题可移至我的投诉提交,我们将在第一时间给您答复
返回顶部