h1_key

TI(德州仪器) TL16C552A
德州仪器 (TI) 全系列产品在线购买
  • TI(德州仪器) TL16C552A
  • TI(德州仪器) TL16C552A
  • TI(德州仪器) TL16C552A
  • TI(德州仪器) TL16C552A
  • TI(德州仪器) TL16C552A
  • TI(德州仪器) TL16C552A
立即查看
您当前的位置: 首页 > 接口 > UART > TL16C552A
TL16C552A

TL16C552A

正在供货

具有 16 字节 FIFO 并行端口的双路 UART

产品详情
  • 说明
  • 特性
  • 参数
  • 封装 | 引脚 | 尺寸

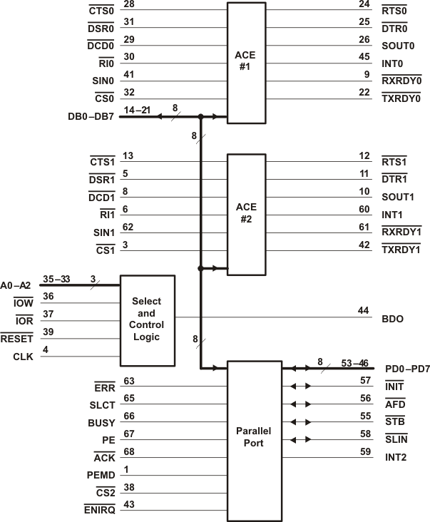
The TL16C552A is an enhanced dual-channel version of the popular TL16C550B asynchronous communications element (ACE). The device serves two serial input/output interfaces simultaneously in microcomputer or microprocessor-based systems. Each channel performs serial-to-parallel conversion on data characters received from peripheral devices or modems and parallel-to-serial conversion on data characters transmitted by the CPU. The complete status of each channel of the dual ACE can be read at any time during functional operation by the CPU. The information obtained includes the type and condition of the transfer operations being performed and the error conditions encountered.

In addition to its dual communications interface capabilities, the TL16C552A provides the user with a bidirectional parallel data port that fully supports the parallel Centronics-type printer interface. The parallel port and the two serial ports provide IBM PC/AT-compatible computers with a single device to serve the three system ports. A programmable baud rate generator that can divide the timing reference clock input by a divisor between 1 and (216 - 1) is included.

The TL16C552A is available in a 68-pin plastic-leaded chip-carrier (FN) package and a 80-pin TQFP (PN) package. The TL16C552AM is available in a 68-pin ceramic quad flat (HV) package.

  • IBM PC/ATTM Compatible
  • Two TL16C550 ACEs
  • Enhanced Bidirectional Printer Port
  • 16-Byte FIFOs Reduce CPU Interrupts
  • Up to 16-MHz Clock Rate for up to 1-Mbaud Operation
  • Transmit, Receive, Line Status, and Data Set Interrupts on Each Channel Independently Controlled
  • Individual Modem Control Signals for Each Channel
  • Programmable Serial Interface Characteristics for Each Channel:
    • 5-, 6-, 7-, or 8-Bit Characters
    • Even, Odd, or No Parity Bit Generation and Detection
    • 1-, 1-1/2-, or 2-Stop Bit Generation
  • 3-State Outputs Provide TTL Drive for the Data and Control Bus on Each Channel
  • Hardware and Software Compatible With TL16C452

IBM PC/AT is a trademark of International Business Machines Corporation.

Number of channels2
FIFO (Byte)16
Rx FIFO trigger levels (#)4
Programmable FIFO trigger levelsNo
CPU interfaceX86
Baud rate at Vcc = 5 V & with 16x sampling (max) (MBps)1
Operating voltage (V)5
Auto RTS/CTSYes
RatingCatalog
Operating temperature range (°C)-40 to 85
PLCC (FN)68632.5225 mm² 25.15 x 25.15
产品购买
  • 商品型号
  • 封装
  • 工作温度
  • 包装
  • 价格
  • 现货库存
  • 操作
10s
温馨提示:
订单商品问题请移至我的售后服务提交售后申请,其他需投诉问题可移至我的投诉提交,我们将在第一时间给您答复
返回顶部