h1_key

TI(德州仪器) SN65LBC175
德州仪器 (TI) 全系列产品在线购买
  • TI(德州仪器) SN65LBC175
  • TI(德州仪器) SN65LBC175
  • TI(德州仪器) SN65LBC175
  • TI(德州仪器) SN65LBC175
  • TI(德州仪器) SN65LBC175
  • TI(德州仪器) SN65LBC175
立即查看
您当前的位置: 首页 > 接口 > RS-485 和 RS-422 收发器 > SN65LBC175
SN65LBC175

SN65LBC175

正在供货

四路低功耗差分线路接收器

产品详情
  • 说明
  • 特性
  • 参数
  • 封装 | 引脚 | 尺寸

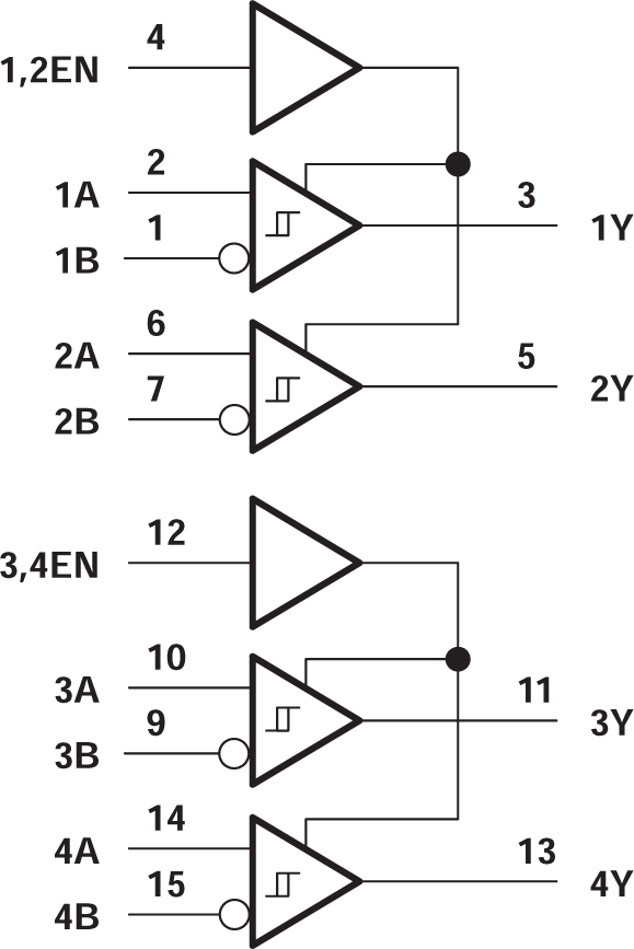
SN65LBC175 和 SN75LBC175 是具有三态输出的单片四通道差分线路接收器,旨在满足 EIA 标准 RS-422-A、RS-423-A、RS-485 和 CCITT 建议 V.11 的要求。这个器件针对数据速率高达和超过每秒 10 兆位的平衡多点总线传输进行了优化。接收器采用高电平有效使能输入成对启用。每个差分接收器都输入具有高阻抗、用于提高抗噪性的迟滞,以及在 –12V 至 -7V 共模输入电压范围内 ±200mV 的灵敏度。失效防护设计可确保在输入处于开路状态时,输出始终处于高电平状态。这两款器件都采用 TI 专有 LinBiCMOS™ 技术进行设计,可实现低功耗、高开关速度和稳健性。

这些器件会在与 SN75LBC172 或 SN75LBC174 四通道线路驱动器配合使用时提供卓越性能。SN65LBC175 采用 16 引脚 DIP (N)、小外形封装 (D) 和宽外形封装 (DW)。SN75LBC175 采用 16 引脚 DIP (N) 和小外形封装 (D)。

SN65LBC175 可在 -40°C 至 85°C 的工业温度范围内运行。SN75LBC175 可在 0°C 至 70°C 的商用温度范围内运行。

  • 符合或超出 EIA 标准 RS-422-A、RS-423-A、RS-485 和 CCITT 建议 V.11
  • 可以低至 20ns 的脉冲持续时间运行
  • 适用于嘈杂环境中长总线上的多点传输
  • 输入灵敏度:±200mV
  • 低功耗:20 mA(最大值)
  • 开路失效防护设计
  • -7 V 至 12V 的共模输入电压范围
  • 与 SN75175 和 LTC489 引脚兼容
Number of receivers4
Number of transmitters0
Supply voltage (nom) (V)5
Signaling rate (max) (MBits)10
Fault protection (V)-10 to 15
Common-mode range (V)-7 to 12
Number of nodes32
IsolatedNo
Supply current (max) (µA)20000
RatingCatalog
Operating temperature range (°C)-40 to 85
PDIP (N)16181.42 mm² 19.3 x 9.4
SOIC (D)1659.4 mm² 9.9 x 6
SOIC (DW)16106.09 mm² 10.3 x 10.3
产品购买
  • 商品型号
  • 封装
  • 工作温度
  • 包装
  • 价格
  • 现货库存
  • 操作
10s
温馨提示:
订单商品问题请移至我的售后服务提交售后申请,其他需投诉问题可移至我的投诉提交,我们将在第一时间给您答复
返回顶部