h1_key

TI(德州仪器) DS26C31MQML
德州仪器 (TI) 全系列产品在线购买
  • TI(德州仪器) DS26C31MQML
  • TI(德州仪器) DS26C31MQML
  • TI(德州仪器) DS26C31MQML
  • TI(德州仪器) DS26C31MQML
  • TI(德州仪器) DS26C31MQML
  • TI(德州仪器) DS26C31MQML
立即查看
您当前的位置: 首页 > 接口 > RS-485 和 RS-422 收发器 > DS26C31MQML
DS26C31MQML

DS26C31MQML

正在供货

CMOS 四路三态差分线路驱动器

产品详情
  • 说明
  • 特性
  • 参数
  • 封装 | 引脚 | 尺寸

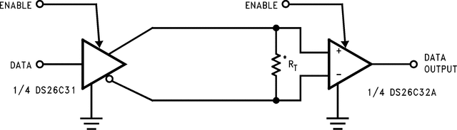
The DS26C31 is a quad differential line driver designed for digital data transmission over balanced lines. The DS26C31 meets all the requirements of EIA standard RS-422 while retaining the low power characteristics of CMOS. The DS26C31 is compatible with EIA standard RS-422; however, one exception in test methodology is taken. This enables the construction of serial and terminal interfaces while maintaining minimal power consumption.

The DS26C31 accepts TTL or CMOS input levels and translates these to RS-422 output levels. This part uses special output circuitry that enables the drivers to power down without loading down the bus. This device has enable and disable circuitry common to all four drivers. The DS26C31 is pin compatible to the AM26LS31 and the DS26LS31.

All inputs are protected against damage due to electrostatic discharge by diodes to VCC and ground.

  • TTL Input Compatible
  • Outputs Will Not Load Line When VCC = 0V
  • Meets the Requirements of EIA Standard RS-422
  • Operation from Single 5V Supply
  • TRI-STATE Outputs for Connection to System Buses
  • Low Quiescent Current

All trademarks are the property of their respective owners.

Number of receivers0
Number of transmitters4
DuplexHalf
Supply voltage (nom) (V)5
Signaling rate (max) (MBits)30
Fault protection (V)-0.5 to 7
Common-mode range (V)-14 to 14
Number of nodes32
IsolatedNo
Supply current (max) (µA)2000
RatingMilitary
Operating temperature range (°C)-55 to 125
CDIP (NFE)16134.209409 mm² 6.731 x 19.939
CFP (NAD)1662.9285 mm² 9.91 x 6.35
LCCC (NAJ)2079.0321 mm² 8.89 x 8.89
产品购买
  • 商品型号
  • 封装
  • 工作温度
  • 包装
  • 价格
  • 现货库存
  • 操作

很抱歉,暂时无法提供与“DS26C31MQML”系列相匹配的产品,您可以联系专属客服快速找货或在现货搜索框中重新搜索。

10s
温馨提示:
订单商品问题请移至我的售后服务提交售后申请,其他需投诉问题可移至我的投诉提交,我们将在第一时间给您答复
返回顶部