h1_key

TI(德州仪器) SN65LBC176
德州仪器 (TI) 全系列产品在线购买
  • TI(德州仪器) SN65LBC176
  • TI(德州仪器) SN65LBC176
  • TI(德州仪器) SN65LBC176
  • TI(德州仪器) SN65LBC176
  • TI(德州仪器) SN65LBC176
  • TI(德州仪器) SN65LBC176
立即查看
您当前的位置: 首页 > 接口 > RS-485 和 RS-422 收发器 > SN65LBC176
SN65LBC176

SN65LBC176

正在供货

差分总线收发器

产品详情
  • 说明
  • 特性
  • 参数
  • 封装 | 引脚 | 尺寸

这些收发器适用于 ANSI 标准 TIA/EIA−485 (RS-485) 和 ISO 8482 应用,前提是它们在此数据表的运行条件和特性部分中已指定。TIA/EIA−485−A 和 ISO 8482:1987 (E) 中包含的某些限制不符合或无法在整个军用温度范围内进行测试。

SN55LBC176 的额定工作温度范围是 –55°C 至 125°C。SN65LBC176 的额定工作温度范围是 –40°C 至 85°C,SN65LBC176Q 的额定工作温度范围是 –40°C 至 125°C。SN75LBC176 的额定工作温度范围是 0°C 至 70°C。

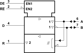
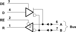
  • 双向收发器
  • 符合或超出 ANSI 标准 TIA/EIA−485−A 和 ISO 8482:1987(E) 的要求
  • 高速低功耗 LinBiCMOS™ 电路
  • 专为在 串行和并行应用中实现高速运行而设计
  • 低偏斜
  • 针对嘈杂环境中的长距离 总线线路上的多点传输而设计
  • 极低的禁用电源电流。.. 200µA(最大值)
  • 宽正负输入/输出 总线电压范围
  • 热关断保护
  • 驱动器正负电流 限制
  • 开路故障安全接收器设计
  • 接收器输入灵敏度..±200mV(最大值)
  • 接收器输入迟滞。..50 mV(典型值)
  • 采用 5V 单电源供电
  • 无干扰上电和断电 保护
  • 可用于 Q-Temp 汽车 高可靠性汽车应用 配置控制/打印支持 通过汽车标准认证
Number of receivers1
Number of transmitters1
DuplexHalf
Supply voltage (nom) (V)5
Signaling rate (max) (MBits)10
Fault protection (V)-10 to 15
Common-mode range (V)-7 to 12
Number of nodes32
IsolatedNo
Supply current (max) (µA)1500
RatingAutomotive, Catalog
Operating temperature range (°C)-40 to 125
SOIC (D)829.4 mm² 4.9 x 6
产品购买
  • 商品型号
  • 封装
  • 工作温度
  • 包装
  • 价格
  • 现货库存
  • 操作
10s
温馨提示:
订单商品问题请移至我的售后服务提交售后申请,其他需投诉问题可移至我的投诉提交,我们将在第一时间给您答复
返回顶部