h1_key

TI(德州仪器) DS26F32MQML
德州仪器 (TI) 全系列产品在线购买
  • TI(德州仪器) DS26F32MQML
  • TI(德州仪器) DS26F32MQML
  • TI(德州仪器) DS26F32MQML
  • TI(德州仪器) DS26F32MQML
  • TI(德州仪器) DS26F32MQML
  • TI(德州仪器) DS26F32MQML
立即查看
您当前的位置: 首页 > 接口 > RS-485 和 RS-422 收发器 > DS26F32MQML
DS26F32MQML

DS26F32MQML

正在供货

四路差分线路接收器

产品详情
  • 说明
  • 特性
  • 参数
  • 封装 | 引脚 | 尺寸

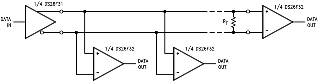
The DS26F32 is a quad differential line receiver designed to meet the requirements of EIA Standards RS-422 and RS-423, and Federal Standards 1020 and 1030 for balanced and unbalanced digital data transmission.

The DS26F32 offers improved performance due to the use of state-of-the-art L-FAST bipolar technology. The L-FAST technology allows for higher speeds and lower currents by utilizing extremely short gate delay times. Thus, the DS26F32 features lower power, extended temperature range, and improved specifications.

The device features an input sensitivity of 200 mV over the input common mode range of ±7.0V. The DS26F32 provides an enable function common to all four receivers and TRI-STATE outputs with 8.0 mA sink capability. Also, a fail-safe input/output relationship keeps the outputs high when the inputs are open.

The DS26F32 offers optimum performance when used with the DS26F31 Quad Differential Line Driver.

  • Input Voltage Range of ±7.0V (Differential or Common Mode) ±0.2V Sensitivity over the Input Voltage Range
  • High Input Impedance
  • Operation from Single +5.0V Supply
  • Input Pull-Down Resistor Prevents Output Oscillation on Unused Channels
  • TRI-STATE Outputs, with Choice of Complementary Enables, for Receiving Directly onto a Data Bus

All trademarks are the property of their respective owners.

Number of receivers4
Number of transmitters0
DuplexHalf
Supply voltage (nom) (V)5
Signaling rate (max) (MBits)10
Fault protection (V)-7 to 7
Common-mode range (V)-6 to 6
Number of nodes10
IsolatedNo
Supply current (max) (µA)50000
RatingMilitary
Operating temperature range (°C)-55 to 125
CFP (NAD)1662.9285 mm² 9.91 x 6.35
LCCC (NAJ)2079.0321 mm² 8.89 x 8.89
WAFERSALE (YS)See data sheet
产品购买
  • 商品型号
  • 封装
  • 工作温度
  • 包装
  • 价格
  • 现货库存
  • 操作

很抱歉,暂时无法提供与“DS26F32MQML”系列相匹配的产品,您可以联系专属客服快速找货或在现货搜索框中重新搜索。

10s
温馨提示:
订单商品问题请移至我的售后服务提交售后申请,其他需投诉问题可移至我的投诉提交,我们将在第一时间给您答复
返回顶部