h1_key

TI(德州仪器) SN65176B
德州仪器 (TI) 全系列产品在线购买
  • TI(德州仪器) SN65176B
  • TI(德州仪器) SN65176B
  • TI(德州仪器) SN65176B
  • TI(德州仪器) SN65176B
  • TI(德州仪器) SN65176B
  • TI(德州仪器) SN65176B
立即查看
您当前的位置: 首页 > 接口 > RS-485 和 RS-422 收发器 > SN65176B
SN65176B

SN65176B

正在供货

差分总线收发器

产品详情
  • 说明
  • 特性
  • 参数
  • 封装 | 引脚 | 尺寸

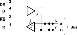
SN65176B 和 SN75176B 差分总线收发器旨在实现多点总线传输线路上的双向数据通信。这些器件专为平衡传输线路而设计,符合 ANSI 标准 TIA/EIA-422-B 和 TIA/EIA-485-A 以及 ITU 建议 V.11 和 X.27。

SN65176B 和 SN75176B 器件整合了一个三态差分线路驱动器和一个差分输入线路接收器,两者均采用 5V 单电源供电。驱动器和接收器分别具有高电平有效和低电平有效使能端,它们可以在外部连接在一起以用作方向控制。驱动器差分输出端和接收器差分输入端在内部连接以形成差分输入/输出 (I/O) 总线端口,这些端口用于在禁用驱动器或 VCC = 0 时为总线提供最小负载。这些端口具有较宽的正负共模电压范围,使得该器件适用于合用线应用。

驱动器旨在实现高达 60mA 的灌电流或拉电流。驱动器具有正负电流限制和热关断功能,避免出现线路故障状况。根据设计在大约 150°C 的结温下发生热关断。接收器具有 12kΩ 的最小输入阻抗、±200mV 的输入灵敏度和 50mV 的典型输入迟滞。

  • 双向收发器
  • 符合或超出 ANSI 标准 TIA/EIA-422-B 和 TIA/EIA-485-A 以及 ITU 建议 V.11 和 X.27 的要求
  • 适用于嘈杂环境中长距离总线线路上的 多点传输
  • 三态驱动器和接收器输出
  • 单独的驱动器和接收器使能端
  • 宽正负输入/输出总线电压范围
  • ±60mA 最大驱动器输出能力
  • 热关断保护
  • 驱动器正负电流限制
  • 12kΩ 最小接收器输入阻抗
  • ±200mV 接收器输入灵敏度
  • 50mV 典型接收器输入迟滞
  • 由 5V 单电源供电
Number of receivers1
Number of transmitters1
DuplexHalf
Supply voltage (nom) (V)5
Signaling rate (max) (MBits)10
IEC 61000-4-2 contact (±V)None
Fault protection (V)-10 to 15
Common-mode range (V)-7 to 12
Number of nodes32
IsolatedNo
Supply current (max) (µA)70000
RatingCatalog
Operating temperature range (°C)-40 to 105
PDIP (P)892.5083 mm² 9.81 x 9.43
SOIC (D)829.4 mm² 4.9 x 6
产品购买
  • 商品型号
  • 封装
  • 工作温度
  • 包装
  • 价格
  • 现货库存
  • 操作
10s
温馨提示:
订单商品问题请移至我的售后服务提交售后申请,其他需投诉问题可移至我的投诉提交,我们将在第一时间给您答复
返回顶部