h1_key

TI(德州仪器) SN75ALS193
德州仪器 (TI) 全系列产品在线购买
  • TI(德州仪器) SN75ALS193
  • TI(德州仪器) SN75ALS193
  • TI(德州仪器) SN75ALS193
  • TI(德州仪器) SN75ALS193
  • TI(德州仪器) SN75ALS193
  • TI(德州仪器) SN75ALS193
立即查看
您当前的位置: 首页 > 接口 > RS-485 和 RS-422 收发器 > SN75ALS193
SN75ALS193

SN75ALS193

正在供货

四路差分线路接收器

产品详情
  • 说明
  • 特性
  • 参数
  • 封装 | 引脚 | 尺寸

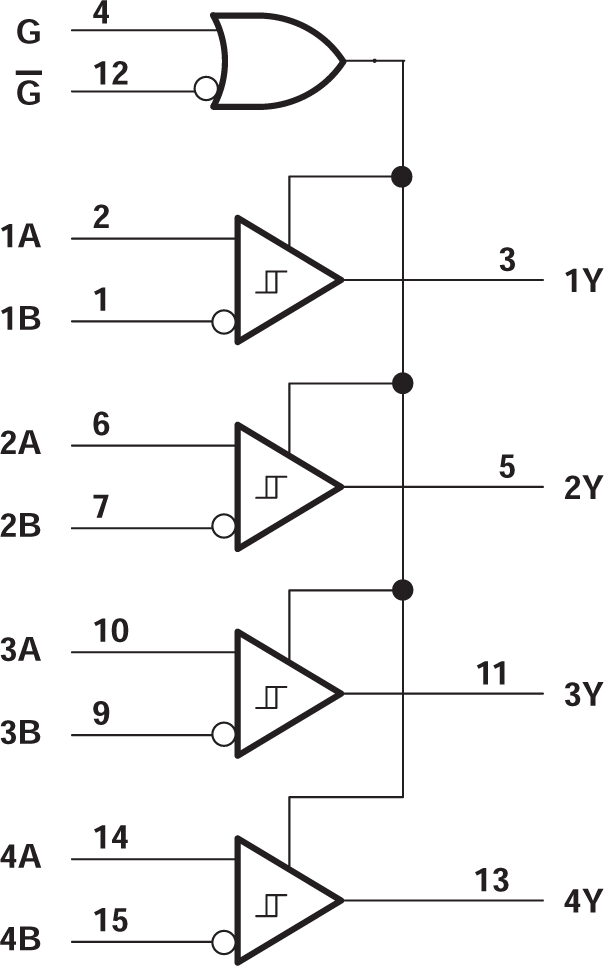
SN75ALS193 是一款采用高级低功耗肖特基技术、具有三态输出的单片四路线路接收器。该技术在 bar 设计、加工生产和晶圆制造方面实现了综合改进,因此,与其他设计相比,显著降低了功耗要求并允许高得多的数据吞吐量。此器件符合 ANSI 标准 EIA/TIA-422-B 和 EIA/TIA-423-A 以及 ITU 建议 V.10 和 V.11 的规范要求。它具有三态输出,允许直接连接到总线式系统,并且采用失效防护设计,可确保在输入处于开路状态时输出始终处于高电平状态。

该器件经优化,能够以高达 20 兆位/秒的速率实现平衡多点总线传输。该输入具有高输入阻抗、用于提高抗噪性的输入迟滞、以及在 –7V 至 7V 共模输入电压范围内 ±200mV 的输入灵敏度。该器件还具有四个通道所共用的高电平有效和低电平有效使能功能。SN75ALS193 与 ’ALS192 四路差分线路驱动器配合使用时,可实现卓越性能。

SN75ALS193 的额定工作温度范围为 0°C 至 70°C。

  • 符合或超出 ANSI 标准 EIA/TIA-422-B 和 EIA/TIA-423-A 以及 ITU 建议 V.10 和 V.11 的要求
  • 适用于嘈杂环境中长总线上的多点总线传输
  • 三态输出
  • 共模输入电压范围:-7V 至 7V
  • 输入灵敏度:±200mV
  • 输入迟滞:120mV(典型值)
  • 高输入阻抗:12kΩ(最小值)
  • 由 5V 单电源供电
  • 低电源电流要求(最高 35mA)
  • 较 AM26LS32A 版本改善了速度和功耗
Number of receivers4
Number of transmitters0
Supply voltage (nom) (V)5
Signaling rate (max) (MBits)20
IEC 61000-4-2 contact (±V)None
Fault protection (V)-12 to 12
Common-mode range (V)-7 to 7
Number of nodes32
IsolatedNo
Supply current (max) (µA)35000
RatingCatalog
Operating temperature range (°C)0 to 70
PDIP (N)16181.42 mm² 19.3 x 9.4
SOIC (D)1659.4 mm² 9.9 x 6
产品购买
  • 商品型号
  • 封装
  • 工作温度
  • 包装
  • 价格
  • 现货库存
  • 操作
10s
温馨提示:
订单商品问题请移至我的售后服务提交售后申请,其他需投诉问题可移至我的投诉提交,我们将在第一时间给您答复
返回顶部