h1_key

TI(德州仪器) LM1881
德州仪器 (TI) 全系列产品在线购买
  • TI(德州仪器) LM1881
  • TI(德州仪器) LM1881
  • TI(德州仪器) LM1881
  • TI(德州仪器) LM1881
  • TI(德州仪器) LM1881
  • TI(德州仪器) LM1881
立即查看
您当前的位置: 首页 > 接口 > 串行数字接口 (SDI) IC > LM1881
LM1881

LM1881

正在供货

视频同步分离器

产品详情
  • 说明
  • 特性
  • 参数
  • 封装 | 引脚 | 尺寸

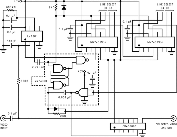
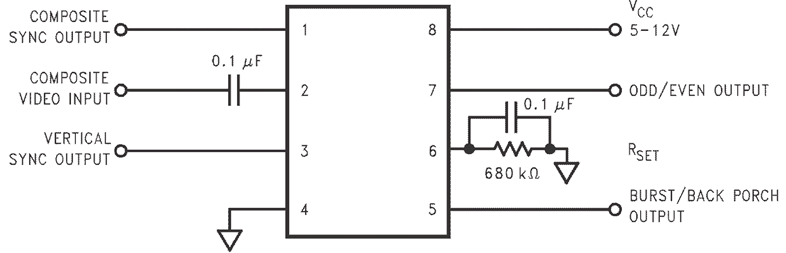
The LM1881 Video sync separator extracts timing information including composite and vertical sync, burst or back porch timing, and odd and even field information from standard negative going sync NTSC, PAL(1) and SECAM video signals with amplitude from 0.5-V to 2-V p-p. The integrated circuit is also capable of providing sync separation for non-standard, faster horizontal rate video signals. The vertical output is produced on the rising edge of the first serration in the vertical sync period. A default vertical output is produced after a time delay if the rising edge mentioned above does not occur within the externally set delay period, such as might be the case for a non-standard video signal.

  • AC Coupled Composite Input Signal
  • >10-kΩ Input Resistance
  • <10-mA Power Supply Drain Current
  • Composite Sync and Vertical Outputs
  • Odd and Even Field Output
  • Burst Gate or Back Porch Output
  • Horizontal Scan Rates to 150 kHz
  • Edge Triggered Vertical Output
  • Default Triggered Vertical Output for Non-
    Standard Video Signal (Video Games-Home
    Computers)
FunctionSync separator
Supply voltage (V)5, 12
Power consumption (mW)25
Control interfacePin
Operating temperature range (°C)0 to 70
PDIP (P)892.5083 mm² 9.81 x 9.43
SOIC (D)829.4 mm² 4.9 x 6
产品购买
  • 商品型号
  • 封装
  • 工作温度
  • 包装
  • 价格
  • 现货库存
  • 操作
10s
温馨提示:
订单商品问题请移至我的售后服务提交售后申请,其他需投诉问题可移至我的投诉提交,我们将在第一时间给您答复
返回顶部