h1_key

TI(德州仪器) OPA2171-Q1
德州仪器 (TI) 全系列产品在线购买
  • TI(德州仪器) OPA2171-Q1
  • TI(德州仪器) OPA2171-Q1
  • TI(德州仪器) OPA2171-Q1
  • TI(德州仪器) OPA2171-Q1
  • TI(德州仪器) OPA2171-Q1
  • TI(德州仪器) OPA2171-Q1
立即查看
您当前的位置: 首页 > 放大器 > 运算放大器 (op amps) > 通用运算放大器 > OPA2171-Q1
OPA2171-Q1

OPA2171-Q1

正在供货

汽车级、双路、36V、3MHz、低功耗运算放大器

产品详情
  • 说明
  • 特性
  • 参数
  • 封装 | 引脚 | 尺寸

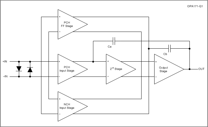
The OPA171-Q1 family of devices is a 36-V, single-supply, low-noise operational amplifier (op amp) with the ability to operate on supplies ranging from 2.7 V (±1.35 V) to 36 V (±18 V). This series is available in multiple packages and offers low offset, drift, and low quiescent current. The single, dual, and quad versions all have identical specifications for maximum design flexibility.

Unlike most op amps, which are specified at only one supply voltage, the OPAx171-Q1 family of devices is specified from 2.7 V to 36 V. Input signals beyond the supply rails do not cause phase reversal. The OPAx171-Q1 family of devices is stable with capacitive loads up to 300 pF. The input can operate 100 mV below the negative rail and within 2 V of the top rail during normal operation. The device can operate with full rail-to-rail input 100 mV beyond the top rail, but with reduced performance within 2 V of the top rail.

The OPAx171-Q1 op amp family is specified from –40°C to +125°C.

  • Qualified for automotive applications
  • AEC-Q100 test guidance with the following results:
    • Temperature grade 1: –40°C to +125°C ambient operating temperature
    • Device HBM ESD classification level:
      • Level 3A forOPA171-Q1
      • Level 2 for OPA4171-Q1
    • Device CDM ESD classification level
      • Level C4A for OPA171-Q1TLV171-Q1
      • Level C6 for OPA2171-Q1
      • Level C6 for OPA4171-Q1
  • Supply range:
    • Single-supply: 2.7 V to 36 V
    • Dual-supply ±1.35 V to ±18 V
  • Low noise: 14 nV/√Hz at 1 kHz
  • Low offset drift: ±0.3 µV/°C (typical)
  • Input range includes negative supply
  • Input range operates to positive supply with reduced performance
  • Rail-to-rail output
  • Gain bandwidth: 3 MHz
  • Low quiescent current: 475 µA per amplifier
  • High Common-mode rejection: 120 dB (typical)
  • Low input bias current: 10 pA
  • Industry-Standard Package:
    • 5-Pin Small-Outline Transistor SOT-23 (DBV) Package
Number of channels2
Total supply voltage (+5 V = 5, ±5 V = 10) (max) (V)36
Total supply voltage (+5 V = 5, ±5 V = 10) (min) (V)2.7
Rail-to-railIn to V-, Out
GBW (typ) (MHz)3
Slew rate (typ) (V/µs)1.5
Vos (offset voltage at 25°C) (max) (mV)1.8
Iq per channel (typ) (mA)0.475
Vn at 1 kHz (typ) (nV√Hz)14
RatingAutomotive
Operating temperature range (°C)-40 to 125
Offset drift (typ) (µV/°C)0.3
FeaturesEMI Hardened
Input bias current (max) (pA)15
CMRR (typ) (dB)120
Iout (typ) (A)0.025
ArchitectureCMOS
Input common mode headroom (to negative supply) (typ) (V)-0.1
Input common mode headroom (to positive supply) (typ) (V)-2
Output swing headroom (to negative supply) (typ) (V)0.03
Output swing headroom (to positive supply) (typ) (V)-0.35
SOIC (D)829.4 mm² 4.9 x 6
VSSOP (DGK)814.7 mm² 3 x 4.9
产品购买
  • 商品型号
  • 封装
  • 工作温度
  • 包装
  • 价格
  • 现货库存
  • 操作
10s
温馨提示:
订单商品问题请移至我的售后服务提交售后申请,其他需投诉问题可移至我的投诉提交,我们将在第一时间给您答复
返回顶部