h1_key

TI(德州仪器) UCC14241-Q1
德州仪器 (TI) 全系列产品在线购买
  • TI(德州仪器) UCC14241-Q1
  • TI(德州仪器) UCC14241-Q1
  • TI(德州仪器) UCC14241-Q1
  • TI(德州仪器) UCC14241-Q1
  • TI(德州仪器) UCC14241-Q1
  • TI(德州仪器) UCC14241-Q1
立即查看
您当前的位置: 首页 > 电源管理 > 交流/直流和隔离式直流/直流开关稳压器 > 隔离式 DC/DC 转换器 > UCC14241-Q1
UCC14241-Q1

UCC14241-Q1

正在供货

Automotive, 2-W, 24-V VIN, 25-V VOUT high-density >5-kVRMS isolated DC/DC module

产品详情
  • 说明
  • 特性
  • 参数
  • 封装 | 引脚 | 尺寸

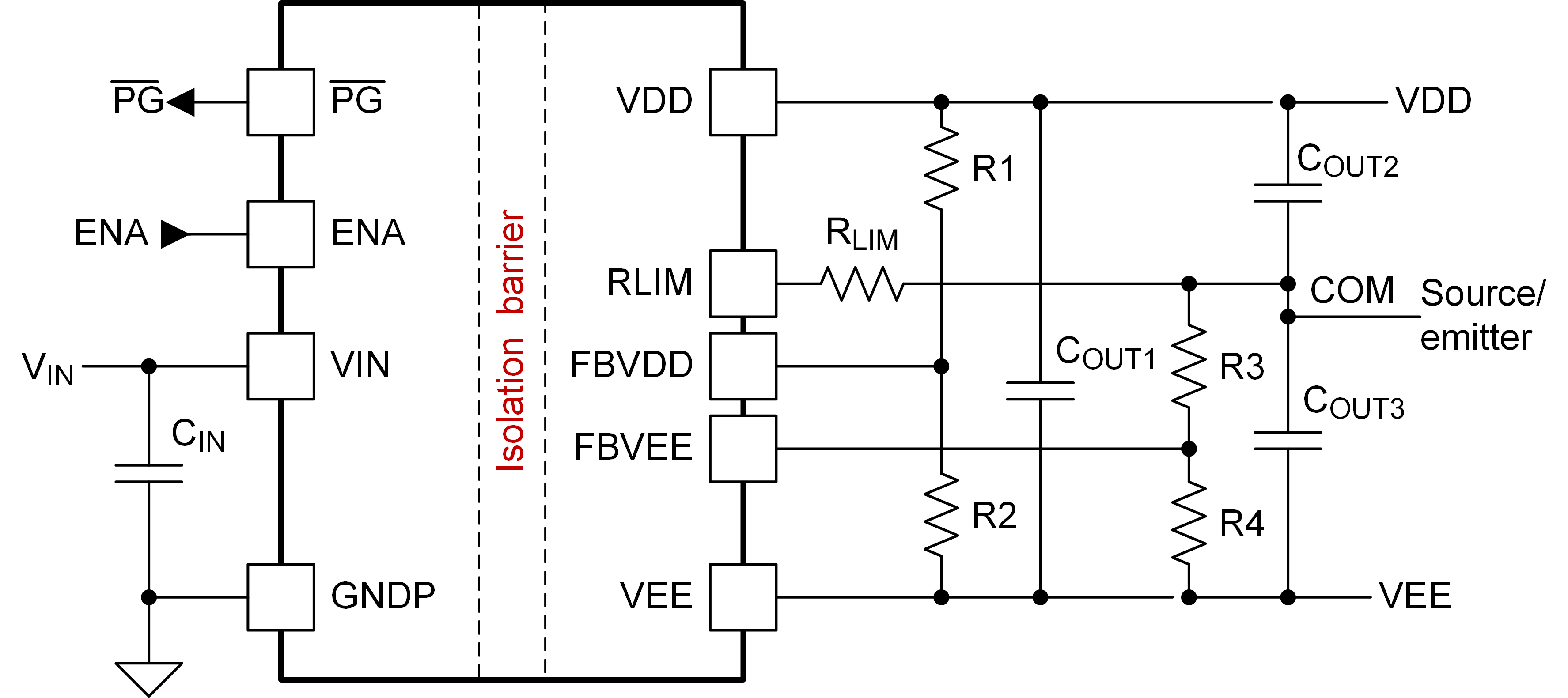
UCC14241-Q1 是一款符合汽车标准的高隔离电压直流/直流电源模块,旨在为 IGBT 或 SiC 栅极驱动器供电。 UCC14241-Q1 集成了具有专有架构的变压器和直流/直流控制器,可实现高效率和超低的发射。高精度输出电压可提供更好的通道增强,从而实现更高的系统效率,不会对功率器件栅极造成过应力。

UCC14241-Q1 可以高效提供高达 2W(典型值)的隔离输出功率。该模块需要非常少的外部元件,并且具有片上器件保护功能,可提供额外的特性,例如输入欠压锁定、过压锁定、输出电压电源正常比较器、过热关断、软启动超时、可调隔离式正负输出电压、使能引脚和开漏输出电源正常引脚。

  • 采用隔离变压器的完全集成高密度隔离式直流/直流模块
  • 隔离式直流/直流模块,用于驱动:IGBT、SiC 和 Si MOSFET
  • 输入电压范围:21V 至 27V,绝对最大值为 32V
  • 在 T A ≤ 85°C 时输出功率为 2.0W,在 T A = 105°C 时输出功率 > 1.5W
  • 可调单路或双路输出电压(使用电阻器),在整个工作范围内的调节精度为 <±1.3%
  • 通过展频调制和集成变压器设计降低电磁发射
  • 使能、电源正常、UVLO、OVLO、软启动、短路、功率限制、欠压、过压和过热保护
  • CMTI > 150kV/µs
  • 符合面向汽车应用的 AEC-Q100 标准
    • 温度等级 1:–40°C ≤ T J ≤ 150°C
    • 温度等级 1: -40°C ≤ T A ≤ 125°C
  • 功能安全型
    • 可提供用于功能安全系统设计的文档
  • 计划的安全相关认证:
    • 符合 DIN EN IEC 60747-17 (VDE 0884-17) 标准的 7071VPK 增强型隔离

    • 符合 UL1577 标准且长达 1 分钟的 5000V RMS 隔离
    • 符合 CQC GB4943.1 标准的增强型绝缘

  • 36 引脚宽体 SSOP 封装
Device typeIsolated modules
TopologyFull-bridge
Vin (min) (V)21
Vin (max) (V)27
Iout (max) (A)0.1
Features2W, Dual output, Enable, Power good, Regulated, Reinforced isolation, Soft start, UVLO adjustable
Operating temperature range (°C)-40 to 125
Regulated outputs (#)2
Control modeInternally Regulated with Dual Adjustable Outputs
RatingAutomotive
Isolation ratingReinforced
CMTI (min) (kV/µs)150
Working isolation voltage (VIOWM) (Vrms)1000
Surge isolation voltage (VIOSM) (VPK)10000
Withstand isolation voltage (VISO) (Vrms)5000
SO-MOD (DWN)36131.84 mm² 12.8 x 10.3
产品购买
  • 商品型号
  • 封装
  • 工作温度
  • 包装
  • 价格
  • 现货库存
  • 操作

很抱歉,暂时无法提供与“UCC14241-Q1”系列相匹配的产品,您可以联系专属客服快速找货或在现货搜索框中重新搜索。

10s
温馨提示:
订单商品问题请移至我的售后服务提交售后申请,其他需投诉问题可移至我的投诉提交,我们将在第一时间给您答复
返回顶部