h1_key

TI(德州仪器) UCC14340-Q1
德州仪器 (TI) 全系列产品在线购买
  • TI(德州仪器) UCC14340-Q1
  • TI(德州仪器) UCC14340-Q1
  • TI(德州仪器) UCC14340-Q1
  • TI(德州仪器) UCC14340-Q1
  • TI(德州仪器) UCC14340-Q1
  • TI(德州仪器) UCC14340-Q1
立即查看
您当前的位置: 首页 > 电源管理 > 交流/直流和隔离式直流/直流开关稳压器 > 隔离式 DC/DC 转换器 > UCC14340-Q1
UCC14340-Q1

UCC14340-Q1

正在供货

汽车类 1.5W、15V 输入电压、25V 输出电压、高密度、> 3kVRMS、隔离式直流/直流模块

产品详情
  • 说明
  • 特性
  • 参数
  • 封装 | 引脚 | 尺寸

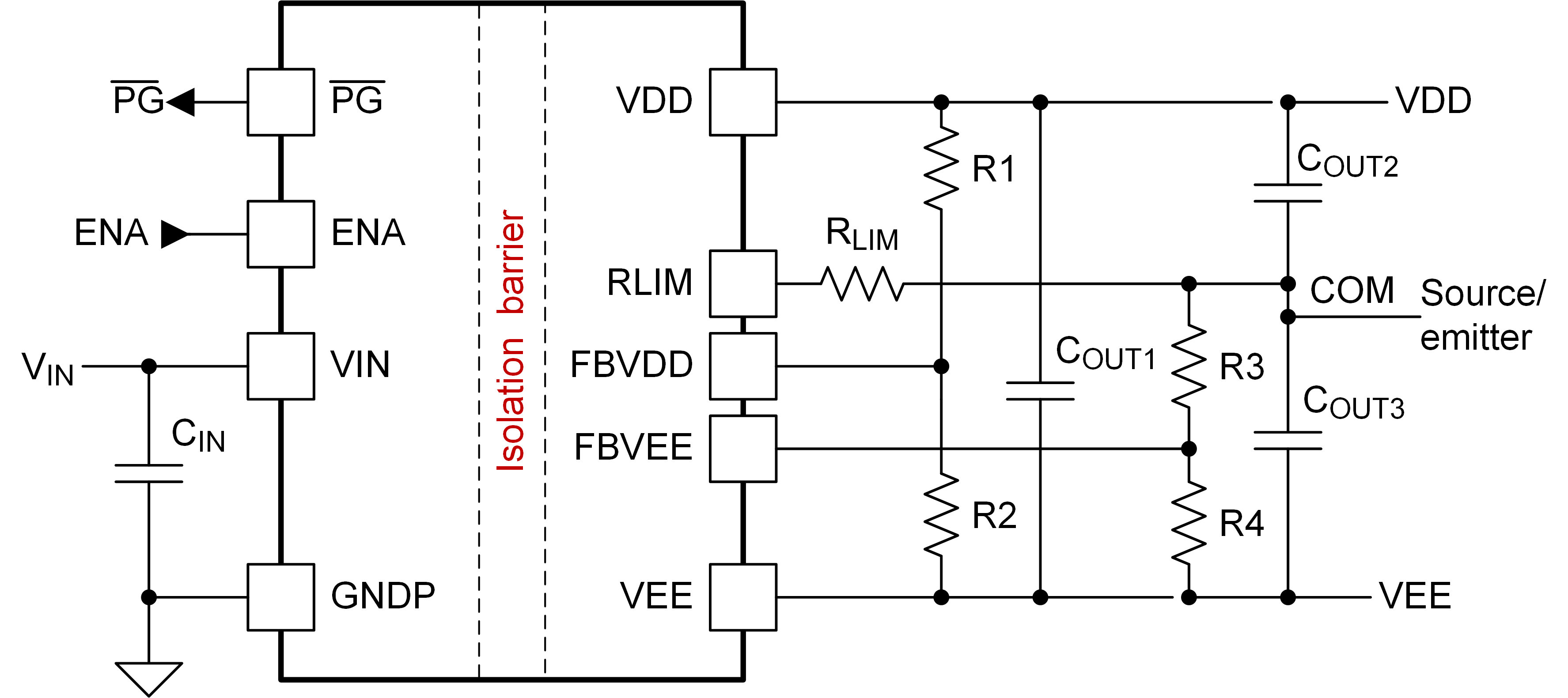
UCC14340-Q1 是一款高隔离电压直流/直流模块,旨在为 IGBT 或 SiC 栅极驱动器供电。该模块集成了一个变压器和具有专有架构的直流/直流控制器,可实现高效率和非常低的电磁发射。高精度输出电压可提供更高的系统效率,不会对功率器件栅极造成过应力。

这款完全集成的模块具有片上器件保护功能,需要非常少的外部元件,可提供额外的特性,例如输入欠压锁定、过压锁定、输出电压电源正常比较器、过热关断、软启动时序、可调隔离式正负输出电压、使能引脚和开漏输出电源正常引脚。

  • 采用集成式变压器的高密度隔离式直流/直流模块
  • 隔离式直流/直流模块,用于驱动:IGBT、SiC FET
  • 输入电压范围:13.5V 至 16.5V,绝对最大值为 32V
  • 在 T A ≤ 105°C 且 13.5V < V VIN < 16.5V 时的输出功率为 1.5W
  • 可调单路或双路输出电压(使用电阻器),在整个工作范围内的调节精度为 <±1.3%
  • 通过展频调制和集成变压器降低电磁发射
  • 使能、电源正常、UVLO、OVLO、软启动、短路、功率限制、欠压、过压和过热保护
  • CMTI > 150kV/µs
  • 符合面向汽车应用的 AEC-Q100 标准
    • 温度等级 1:–40°C ≤ T J ≤ 150°C
    • 温度等级 1:–40°C ≤ T A ≤ 125°C
  • 功能安全型
    • 可提供用于功能安全系统设计的文档
  • 计划的安全相关认证:
    • 符合 DIN EN IEC 60747-17 (VDE 0884-17) 标准的 5657VPK 基础型隔离
    • 符合 UL 1577 标准且长达 1 分钟的 3000VRMS 隔离
    • 符合 CQC GB4943.1 标准的基本绝缘
  • 36 引脚宽体 SSOP 封装
Device typeIsolated modules
TopologyFull-bridge
Vin (min) (V)13.5
Vin (max) (V)16.5
Vout (min) (V)18
Vout (max) (V)25
Iout (max) (A)0.1
Features1.5W, Basic isolation, Dual output, Enable, Power good, Regulated, Soft start, UVLO adjustable
Operating temperature range (°C)-40 to 125
Regulated outputs (#)2
Control modeInternally Regulated with Dual Adjustable Outputs
RatingAutomotive
Isolation ratingBasic
CMTI (min) (kV/µs)150
Working isolation voltage (VIOWM) (Vrms)850
Surge isolation voltage (VIOSM) (VPK)6500
Withstand isolation voltage (VISO) (Vrms)3000
SO-MOD (DWN)36131.84 mm² 12.8 x 10.3
产品购买
  • 商品型号
  • 封装
  • 工作温度
  • 包装
  • 价格
  • 现货库存
  • 操作

很抱歉,暂时无法提供与“UCC14340-Q1”系列相匹配的产品,您可以联系专属客服快速找货或在现货搜索框中重新搜索。

10s
温馨提示:
订单商品问题请移至我的售后服务提交售后申请,其他需投诉问题可移至我的投诉提交,我们将在第一时间给您答复
返回顶部