h1_key

TI(德州仪器) LMH5401
德州仪器 (TI) 全系列产品在线购买
  • TI(德州仪器) LMH5401
  • TI(德州仪器) LMH5401
  • TI(德州仪器) LMH5401
  • TI(德州仪器) LMH5401
  • TI(德州仪器) LMH5401
  • TI(德州仪器) LMH5401
立即查看
您当前的位置: 首页 > 射频与微波 > 射频放大器 > 射频 FDA > LMH5401
LMH5401

LMH5401

正在供货

8GHz 超宽带、全差动放大器

产品详情
  • 说明
  • 特性
  • 参数
  • 封装 | 引脚 | 尺寸

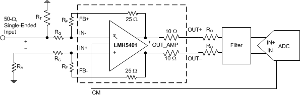
LMH5401 器件是一款针对射频 (RF)、中频 (IF) 或高速直流耦合时域 应用。该器件非常适合于直流耦合或交流耦合 应用 。LMH5401 在 SE-DE 或差分到差分 (DE-DE) 模式下工作时产生的二次谐波和三次谐波失真非常低。

此放大器针对 SE-DE 和 DE-DE 系统进行了优化。此器件具有直流到 2GHz 的超高可用带宽。LMH5401 可在广泛的 应用 (如测试与测量、宽带通信以及高速数据采集)中用于在信号链中进行 SE-DE 转换,而无需外部平衡-非平衡变压器。

该器件提供了共模参考输入引脚,以便使放大器输出共模符合 ADC 输入要求。可选电源范围介于 3.3V 和 5V 之间,并且可根据应用要求支持双电源供电。掉电功能还可实现节能。

当器件由 5V 电源供电且达到 275mW 超低功耗时才能实现这一性能等级。该器件采用德州仪器 (TI) 先进的互补 BiCMOS 工艺制成,并且采用节省空间的 UQFN-14 封装以实现更高的性能。

  • 增益带宽产品 (GBP):8GHz
  • 出色的线性性能:
    直流到 2GHz,G = 12dB
  • 转换率:17,500V/µs
  • 二次谐波失真 (HD2) 和三次谐波失真 (HD3) 较低
    (1 VPP,200Ω,DE-DE,G = 12dB):
    • 100MHz:HD2 为 –104dBc,HD3 为 –96dBc
    • 200MHz:HD2 为 –95dBc,HD3 为 –92dBc
    • 500MHz:HD2 为 –80dBc,HD3 为 –77dBc
    • 1GHz:HD2 为 –64dBc,HD3 为 –58dBc
  • 二阶互调失真 (IMD2) 和三阶互调失真 (IMD3) 较低
    (2 VPP,200Ω,DE-DE,G = 12dB):
    • 200MHz:IMD2 为 –96dBc,IMD3 为 –95dBc
    • 500MHz:IMD2 为 –80dBc,IMD3 为 –83dBc
    • 1GHz:IMD2 为 –70dBc,IMD3 为 –63dBc
  • 输入电压噪声:1.25 nV/√Hz
  • 输入电流噪声:3.5pA/√Hz
  • 支持单电源和双电源供电
  • 功耗:55mA
  • 掉电功能
2nd harmonic (dBc)99
3rd harmonic (dBc)94
Frequency of harmonic distortion measurement (MHz)100
ArchitectureBipolar, Fully Differential ADC Driver
BW at Acl (MHz)6200
FeaturesShutdown
Number of channels1
Operating temperature range (°C)-40 to 85
RatingCatalog
TypeActive Balun, RF FDA
Total supply voltage (+5 V = 5, ±5 V = 10) (min) (V)3.15
Total supply voltage (+5 V = 5, ±5 V = 10) (max) (V)5.25
UQFN (RMS)146.25 mm² 2.5 x 2.5
产品购买
  • 商品型号
  • 封装
  • 工作温度
  • 包装
  • 价格
  • 现货库存
  • 操作
10s
温馨提示:
订单商品问题请移至我的售后服务提交售后申请,其他需投诉问题可移至我的投诉提交,我们将在第一时间给您答复
返回顶部