h1_key

TI(德州仪器) ISO7140CC
德州仪器 (TI) 全系列产品在线购买
  • TI(德州仪器) ISO7140CC
  • TI(德州仪器) ISO7140CC
  • TI(德州仪器) ISO7140CC
  • TI(德州仪器) ISO7140CC
  • TI(德州仪器) ISO7140CC
  • TI(德州仪器) ISO7140CC
立即查看
您当前的位置: 首页 > 隔离 > 数字隔离器 > ISO7140CC
ISO7140CC

ISO7140CC

正在供货

四通道 4/0 50Mbps 数字隔离器

产品详情
  • 说明
  • 特性
  • 参数
  • 封装 | 引脚 | 尺寸

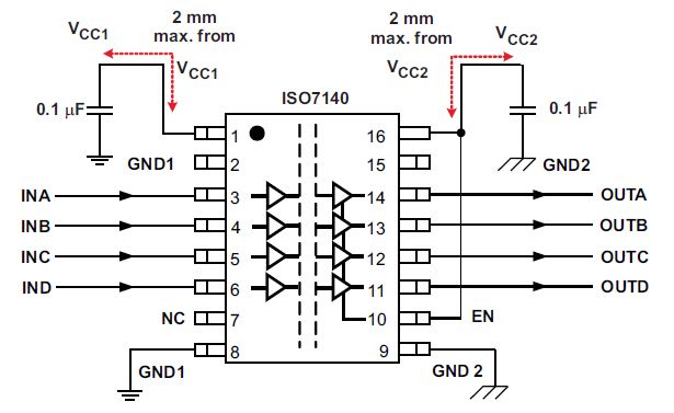
ISO7131、ISO7140 和 ISO7141 器件提供符合 UL 标准的长达 1 分钟的 2500 VRMS 电流隔离,以及符合 VDE 标准的 4242 VPK。 ISO7131 有三个通道,其中两个为正向通道,一个为反向通道。 ISO7140 和 ISO7141 均为四通道隔离器;ISO7140 有四个正向通道,而 ISO7141 有三个正向通道和一个反向通道。 这些器件在由 5V 电源和 3.3V/2.7V 电源供电时,分别可提供 50Mbps 和 40Mbps 的最大数据传输速率,并且输入上带有集成滤波器,适用于易受噪声干扰的应用。 后缀 F 表示缺省输出状态为低电平;否则,缺省输出状态为高电平(请见)。

每个隔离通道的逻辑输入和输出缓冲器均由二氧化硅 (SiO2) 绝缘隔栅分离开来。 与隔离式电源一起使用时,这些器件可防止数据总线或者其它电路上的噪声电流进入本地接地并且干扰或损坏敏感电路。 这些器件具有晶体管晶体管逻辑电路 (TTL) 输入阈值,并且可由 2.7V、3.3V 和 5V 电压供电运行。 通过 2.7V 或 3.3V 电源供电时,所有输入均可耐受 5V 电压。

  • 最大信号传输速率: 50Mbps(5V 电源)
  • 具有集成噪声滤波器的稳健耐用设计
  • 缺省输出低选项(后缀 F)
  • 低功耗,每通道 ICC 典型值(3.3V 电源):
    • ISO7131:1Mbps 时为 1.5mA,
      25Mbps 时为 2.6mA
    • ISO7140:1Mbps 时为 1mA,
      25Mbps 时为 2.3mA
    • ISO7141:1Mbps 时为 1.3mA,
      25Mbps 时为 2.6mA
  • 低传播延迟:典型值 23ns
    (3.3V 电源)
  • 宽温度范围:-40℃ 至 125°C
  • 50kV/µs 瞬态抗扰度,典型值
  • 采用 SiO2 隔离格栅,使用寿命长
  • 可由 2.7V、3.3V 和 5V 电源及逻辑电平供电
  • 小型四分之一尺寸小外形封装 (QSOP)-16 封装
  • 安全及管理批准
    • 符合 UL 1577 的长达 1 分钟的 2500VRMS 隔离
    • 符合 DIN V VDE V 0884-10 (VDE V 0884-10):2006-12 的 4242VPK 隔离,566VPK 工作电压
    • CSA 组件接受通知 5A,IEC 60950-1 和 IEC 61010-1 终端设备标准
    • 符合 GB 4943.1-2011 的 CQC 认证

应用范围

  • 通用隔离
    • 工业现场总线 (Fieldbus)
      • Profibus 现场总线
      • Modbus
      • DeviceNet 数据总线
    • RS-232,RS-485
    • 串行外设接口

All trademarks are the property of their respective owners.

RatingCatalog
Integrated isolated powerNo
Isolation ratingBasic
Number of channels4
Forward/reverse channels4 forward / 0 reverse
Default outputHigh
Data rate (max) (Mbps)50
Surge isolation voltage (VIOSM) (VPK)4000
Transient isolation voltage (VIOTM) (VPK)4242
Withstand isolation voltage (VISO) (Vrms)2500
CMTI (min) (V/µs)25000
Operating temperature range (°C)-40 to 125
Supply voltage (max) (V)5
Supply voltage (min) (V)2.7
Propagation delay time (typ) (µs)0.023
Current consumption per channel (DC) (typ) (mA)1.025
Current consumption per channel (1 Mbps) (typ) (mA)1.025
Creepage (min) (mm)3.7
Clearance (min) (mm)3.7
SSOP (DBQ)1629.4 mm² 4.9 x 6
产品购买
  • 商品型号
  • 封装
  • 工作温度
  • 包装
  • 价格
  • 现货库存
  • 操作
10s
温馨提示:
订单商品问题请移至我的售后服务提交售后申请,其他需投诉问题可移至我的投诉提交,我们将在第一时间给您答复
返回顶部