h1_key

TI(德州仪器) TLV1702
德州仪器 (TI) 全系列产品在线购买
  • TI(德州仪器) TLV1702
  • TI(德州仪器) TLV1702
  • TI(德州仪器) TLV1702
  • TI(德州仪器) TLV1702
  • TI(德州仪器) TLV1702
  • TI(德州仪器) TLV1702
立即查看
您当前的位置: 首页 > 放大器 > 比较器 > TLV1702
TLV1702

TLV1702

正在供货

双通道高电压低功耗比较器

产品详情
  • 说明
  • 特性
  • 参数
  • 封装 | 引脚 | 尺寸

TLV170x 系列器件提供宽电源范围、轨到轨输入、低静态电流和低传播延迟。 所有这些特性均符合行业标准,采用极小封装,借此,这些器件得以成为目前市场上可提供的最佳通用比较器。

集电极开路输出具有能够将输出拉至任意电压轨(最大可高出负电源 +36V)的优势,且不受 TLV170x 电源电压影响。

这些器件均可提供单通道 (TLV1701)、双通道 (TLV1702) 和四通道 (TLV1704) 三种版本。 低输入偏移电压、低输入偏置电流、低电源电流和开集配置使得 TLV170x 系列能够灵活处理从简单电压检测到驱动单个继电器的大多数应用。

所有器件的额定工作温度均在扩展的工业温度范围 –40°C 到 +125°C 内。

  • 电源范围:
    +2.2V 至 +36V 或 ±1.1V 至 ±18V
  • 低静态电流:
    每个比较器 55µA
  • 输入共模范围包括两个电源轨
  • 低传播延迟:560ns
  • 低输入偏移电压:300µV
  • 集电极开路输出:
    • 最大可高出负电源 36V 且不受电源电压影响
  • 工业温度范围:
    -40°C 至 +125°C
  • 小型封装:
    • 单通道:SC70-5、SOT-23-5 和 SOT553-5
    • 双通道:VSSOP-8、X2QFN-8
    • 四通道:TSSOP-14

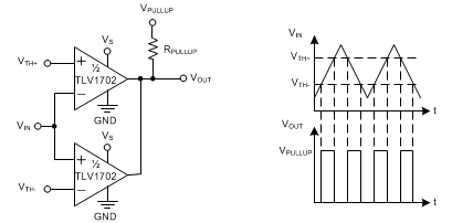
应用范围

  • 过压和欠压检测器
  • 窗口比较器
  • 过流检测器
  • 零交叉检测器
  • 针对以下应用的系统监控:
    • 电源
    • 白色家电
    • 工业传感器
    • 汽车
    • 医疗

All trademarks are the property of their respective owners.

Number of channels2
Output typeOpen-collector, Open-drain
Propagation delay time (µs)0.56
Vs (max) (V)36
Vs (min) (V)2.2
Vos (offset voltage at 25°C) (max) (mV)2.5
Iq per channel (typ) (mA)0.055
Input bias current (±) (max) (nA)15
Rail-to-railIn
RatingCatalog
Operating temperature range (°C)-40 to 125
FeaturesSmall Size
VICR (max) (V)36
VICR (min) (V)2.2
VSSOP (DGK)814.7 mm² 3 x 4.9
X2QFN (RUG)82.25 mm² 1.5 x 1.5
产品购买
  • 商品型号
  • 封装
  • 工作温度
  • 包装
  • 价格
  • 现货库存
  • 操作
10s
温馨提示:
订单商品问题请移至我的售后服务提交售后申请,其他需投诉问题可移至我的投诉提交,我们将在第一时间给您答复
返回顶部