h1_key

TI(德州仪器) SN74HC165B-EP
德州仪器 (TI) 全系列产品在线购买
  • TI(德州仪器) SN74HC165B-EP
  • TI(德州仪器) SN74HC165B-EP
  • TI(德州仪器) SN74HC165B-EP
  • TI(德州仪器) SN74HC165B-EP
  • TI(德州仪器) SN74HC165B-EP
  • TI(德州仪器) SN74HC165B-EP
立即查看
您当前的位置: 首页 > 逻辑和电压转换 > 触发器、锁存器和寄存器 > 移位寄存器 > SN74HC165B-EP
SN74HC165B-EP

SN74HC165B-EP

正在供货

增强型产品八位并联负载移位寄存器

产品详情
  • 说明
  • 特性
  • 参数
  • 封装 | 引脚 | 尺寸

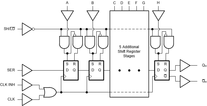
SN74HC165B-EP 器件是一款 8 位并行负载移位寄存器,旨在于 2V 至 6 V V CC 下运行。

器件计时时,数据通过串行输出 Q H 传输。当移位/负载 (SH/ LD) 输入为低电平时,可支持八个单独的直接数据输入,从而实现在每个级的并行输入。 SN74HC165B-EP 器件具有时钟抑制功能和补充串行输出 Q H。

  • 2 V 至 6 V V CC 运行
  • 闩锁性能超过 250mA, 符合 JESD 17 规范
  • 工作环境温度:-55°C 至 +125°C
  • 支持国防、航空航天和医疗应用:
    • 受控基线
    • 一个封装测试厂
    • 一个制造基地
    • 延长了产品生命周期
    • 产品可追溯性
ConfigurationParallel-in
Bits (#)8
Technology familyHC
Supply voltage (min) (V)2
Supply voltage (max) (V)6
Input typeStandard CMOS
Output typePush-Pull
Clock frequency (MHz)25
IOL (max) (mA)5.2
IOH (max) (mA)-5.2
Supply current (max) (µA)160
FeaturesBalanced outputs, High speed (tpd 10-50ns), Positive input clamp diode
Operating temperature range (°C)-55 to 125
RatingSpace
TSSOP (PW)1632 mm² 5 x 6.4
产品购买
  • 商品型号
  • 封装
  • 工作温度
  • 包装
  • 价格
  • 现货库存
  • 操作

很抱歉,暂时无法提供与“SN74HC165B-EP”系列相匹配的产品,您可以联系专属客服快速找货或在现货搜索框中重新搜索。

10s
温馨提示:
订单商品问题请移至我的售后服务提交售后申请,其他需投诉问题可移至我的投诉提交,我们将在第一时间给您答复
返回顶部