h1_key

TI(德州仪器) SN74HCT595
德州仪器 (TI) 全系列产品在线购买
  • TI(德州仪器) SN74HCT595
  • TI(德州仪器) SN74HCT595
  • TI(德州仪器) SN74HCT595
  • TI(德州仪器) SN74HCT595
  • TI(德州仪器) SN74HCT595
  • TI(德州仪器) SN74HCT595
立即查看
您当前的位置: 首页 > 逻辑和电压转换 > 触发器、锁存器和寄存器 > 移位寄存器 > SN74HCT595
SN74HCT595

SN74HCT595

正在供货

具有 TLL 兼容 CMOS 输入和三态输出寄存器的 8 位移位寄存器

产品详情
  • 说明
  • 特性
  • 参数
  • 封装 | 引脚 | 尺寸

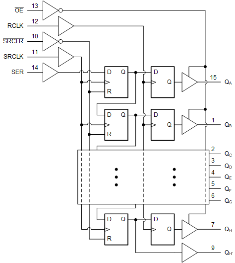
SN74HCT595 器件包含对 8 位 D 类存储寄存器进行馈送的 8 位串行输入、并行输出移位寄存器。存储寄存器具有并行 三态输出。移位寄存器和存储寄存器分别有单独的时钟。移位寄存器具有一个直接覆盖清零 (SRCLR) 的串行 (SER) 输入和一个串行输出 (QH’),以用于级联。当输出使能端 (OE) 输入为高电平时,存储寄存器输出处于高阻抗状态。内部寄存器数据和串行输出 (QH’) 不受 OE 端输入的影响。

  • 兼容 LSTTL 输入逻辑
    • VIL(max) = 0.8V,VIH(min) = 2V
  • 兼容 CMOS 输入逻辑
    • 在电压为 VOL、VOH 时,II ≤ 1µA
  • 工作电压为 4.5 V 至 5.5 V
  • 支持多达 10 个 LSTTL 负载的扇出
  • 移位寄存器具有直接清零功能
  • 工作环境温度范围:–40°C 至 +125°C,TA
ConfigurationSerial-in, Parallel-out
Bits (#)8
Technology familyHCT
Supply voltage (min) (V)4.5
Supply voltage (max) (V)5.5
Input typeTTL-Compatible CMOS
Output type3-State
Clock frequency (MHz)25
IOL (max) (mA)6
IOH (max) (mA)-6
Supply current (max) (µA)80
FeaturesBalanced outputs, High speed (tpd 10-50ns), Output register, Positive input clamp diode
Operating temperature range (°C)-40 to 125
RatingCatalog
TSSOP (PW)1632 mm² 5 x 6.4
产品购买
  • 商品型号
  • 封装
  • 工作温度
  • 包装
  • 价格
  • 现货库存
  • 操作
10s
温馨提示:
订单商品问题请移至我的售后服务提交售后申请,其他需投诉问题可移至我的投诉提交,我们将在第一时间给您答复
返回顶部