h1_key

TI(德州仪器) SN74LXC8T245-Q1
德州仪器 (TI) 全系列产品在线购买
  • TI(德州仪器) SN74LXC8T245-Q1
  • TI(德州仪器) SN74LXC8T245-Q1
  • TI(德州仪器) SN74LXC8T245-Q1
  • TI(德州仪器) SN74LXC8T245-Q1
  • TI(德州仪器) SN74LXC8T245-Q1
  • TI(德州仪器) SN74LXC8T245-Q1
立即查看
您当前的位置: 首页 > 逻辑和电压转换 > 电压转换器和电平转换器 > 方向控制型电压转换器 > SN74LXC8T245-Q1
SN74LXC8T245-Q1

SN74LXC8T245-Q1

正在供货

具有三态输出的汽车类 8 位双电源宽电压电平转换收发器

产品详情
  • 说明
  • 特性
  • 参数
  • 封装 | 引脚 | 尺寸

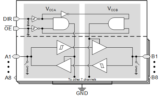
SN74LXC8T245-Q1 是一款 8 位双电源同相双向电压电平转换器件。Ax 引脚和控制引脚(DIR 和 OE)以 V CCA 逻辑电平为基准,Bx 引脚以 V CCB 逻辑电平为基准。A 端口能够接受 1.1V 至 5.5V 的 I/O 电压,而 B 端口可接受 1.1V 至 5.5V 的 I/O 电压。如果 OE 设为低电平,DIR 上为高电平时允许数据从 A 传输到 B,DIR 上为低电平时允许数据从 B 传输到 A。 OE 设为高电平时,Ax 和 Bx 引脚均处于高阻抗状态。请参阅 器件功能模式,了解控制逻辑的运行摘要。

  • 符合面向汽车应用的 AEC-Q100 标准
  • 完全可配置的双电源轨设计可允许各个端口在 1.1V 至 5.5V 范围内运行
  • 稳健、无干扰供电时序
  • 在 3.3V 至 5.0V 范围内,支持高达 420Mbps 的速率
  • 施密特触发输入可实现慢速或高噪声输入
  • 带有集成动态下拉电阻器的 I/O 有助于减少外部元件数量
  • 带集成静态下拉电阻器的控制输入允许浮动控制输入
  • 高驱动强度(在 5V 时最高达 32 mA)
  • 低功耗:
    • 最大值 4 µA (25°C)
    • 最大值 12 µA(–40°C 至 125°C)
  • V CC 隔离和 V CC 断开 (I off-float) 特性:
    • 如果任何一个 V CC 电源电压 < 100mV 或已断开,则所有 I/O 都被下拉,然后成为高阻抗状态
  • I off 支持局部断电模式运行
  • 兼容 LVC 系列电平转换器
  • 控制逻辑(DIR 和 OE)以 V CCA 为基准
  • 工作温度范围为 –40°C 至 +125°C
  • 闩锁性能超过 100mA,符合 JESD 78 II 类规范
  • ESD 保护性能超过 JESD 22 规范要求
    • 4000V 人体放电模型
    • 1000V 充电器件模型
Technology familyLXC
ApplicationsGPIO, JTAG, SPI, UART
Bits (#)8
High input voltage (min) (V)0.44
High input voltage (max) (V)5.5
Vout (min) (V)1.1
Vout (max) (V)5.5
Data rate (max) (Mbps)420
IOH (max) (mA)-32
IOL (max) (mA)32
Supply current (max) (µA)12
FeaturesIntegrated pulldown resistors, Output enable, Overvoltage tolerant inputs, Partial power down (Ioff), Vcc disconnect, Vcc isolation
Input typeSchmitt-Trigger
Output type3-State
RatingAutomotive
Operating temperature range (°C)-40 to 125
TSSOP (PW)2449.92 mm² 7.8 x 6.4
VQFN (RHL)2419.25 mm² 5.5 x 3.5
VSSOP (DGS)2429.89 mm² 6.1 x 4.9
产品购买
  • 商品型号
  • 封装
  • 工作温度
  • 包装
  • 价格
  • 现货库存
  • 操作
10s
温馨提示:
订单商品问题请移至我的售后服务提交售后申请,其他需投诉问题可移至我的投诉提交,我们将在第一时间给您答复
返回顶部