h1_key

TI(德州仪器) SN74HCS594
德州仪器 (TI) 全系列产品在线购买
  • TI(德州仪器) SN74HCS594
  • TI(德州仪器) SN74HCS594
  • TI(德州仪器) SN74HCS594
  • TI(德州仪器) SN74HCS594
  • TI(德州仪器) SN74HCS594
  • TI(德州仪器) SN74HCS594
立即查看
您当前的位置: 首页 > 逻辑和电压转换 > 触发器、锁存器和寄存器 > 移位寄存器 > SN74HCS594
SN74HCS594

SN74HCS594

正在供货

具有施密特触发输入和输出寄存器的八位移位寄存器

产品详情
  • 说明
  • 特性
  • 参数
  • 封装 | 引脚 | 尺寸

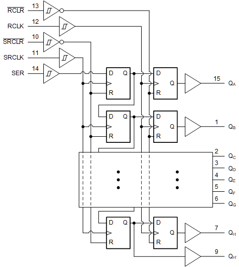
SN74HCS594 器件包含一个对 8 位 D 类存储寄存器进行馈送的 8 位串行输入、并行输出移位寄存器。所有输入均包括施密特触发架构,因此消除了由边沿变化缓慢或高噪声输入信号导致的任何错误数据输出。存储寄存器具有并行输出。移位寄存器和存储寄存器有单独的时钟和直接覆盖清零(SRCLRRCLR)输入,以及用于级联结构的串行输出 (QH’)。

移位寄存器 (SRCLK) 和存储寄存器 (RCLK) 的时钟均为正边沿触发。如果将两个时钟连接在一起,则移位寄存器比存储寄存器早一个脉冲。

  • 宽工作电压范围:2V 至 6V
  • 施密特触发输入可实现慢速或高噪声输入信号
  • 低功耗
    • ICC 典型值为 100nA
    • 输入泄漏电流典型值为 ±100nA
  • 电压为 6V 时,输出驱动为 ±7.8mA
  • 工作环境温度范围:–40°C 至 +125°C,TA
ConfigurationSerial-in, Parallel-out
Bits (#)8
Technology familyHCS
Supply voltage (min) (V)2
Supply voltage (max) (V)6
Input typeSchmitt-Trigger
Output typePush-Pull
Clock frequency (MHz)68
IOL (max) (mA)7.8
IOH (max) (mA)-7.8
Supply current (max) (µA)2
FeaturesBalanced outputs, High speed (tpd 10-50ns), Output register, Positive input clamp diode
Operating temperature range (°C)-40 to 125
RatingCatalog
SOIC (D)1659.4 mm² 9.9 x 6
SOT-23-THN (DYY)168.4 mm² 4.2 x 2
TSSOP (PW)1632 mm² 5 x 6.4
WQFN (BQB)168.75 mm² 3.5 x 2.5
产品购买
  • 商品型号
  • 封装
  • 工作温度
  • 包装
  • 价格
  • 现货库存
  • 操作
10s
温馨提示:
订单商品问题请移至我的售后服务提交售后申请,其他需投诉问题可移至我的投诉提交,我们将在第一时间给您答复
返回顶部