h1_key

TI(德州仪器) SN74HCS251-Q1
德州仪器 (TI) 全系列产品在线购买
  • TI(德州仪器) SN74HCS251-Q1
  • TI(德州仪器) SN74HCS251-Q1
  • TI(德州仪器) SN74HCS251-Q1
  • TI(德州仪器) SN74HCS251-Q1
  • TI(德州仪器) SN74HCS251-Q1
  • TI(德州仪器) SN74HCS251-Q1
立即查看
您当前的位置: 首页 > 逻辑和电压转换 > 专用逻辑 IC > 数字多路复用器和编码器 > SN74HCS251-Q1
SN74HCS251-Q1

SN74HCS251-Q1

正在供货

具有三态输出的 选 数据选择器/多路复用器

产品详情
  • 说明
  • 特性
  • 参数
  • 封装 | 引脚 | 尺寸

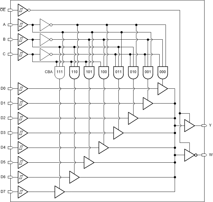
The SN74HCS251-Q1 is a data selector/multiplexer containing full binary decoding to select 1-of-8 data sources and features strobe-controlled complementary 3-state outputs.

  • AEC-Q100 Qualified for automotive applications:
    • Device temperature grade 1: –40°C to +125°C, TA
    • Device HBM ESD Classification Level 2
    • Device CDM ESD Classifcation Level C6
  • Wide operating voltage range: 2 V to 6 V
  • Schmitt-trigger inputs allow for slow or noisy input signals
  • Low power consumption
    • Typical ICC of 100 nA
    • Typical input leakage current of ±100 nA
  • ±7.8-mA output drive at 6 V
Technology familyHCS
FunctionMultiplexer
Configuration8
Number of channels1
Operating temperature range (°C)-40 to 125
RatingAutomotive
SOIC (D)1659.4 mm² 9.9 x 6
TSSOP (PW)1632 mm² 5 x 6.4
产品购买
  • 商品型号
  • 封装
  • 工作温度
  • 包装
  • 价格
  • 现货库存
  • 操作
10s
温馨提示:
订单商品问题请移至我的售后服务提交售后申请,其他需投诉问题可移至我的投诉提交,我们将在第一时间给您答复
返回顶部