h1_key

TI(德州仪器) SN74HCS16507-Q1
德州仪器 (TI) 全系列产品在线购买
  • TI(德州仪器) SN74HCS16507-Q1
  • TI(德州仪器) SN74HCS16507-Q1
  • TI(德州仪器) SN74HCS16507-Q1
  • TI(德州仪器) SN74HCS16507-Q1
  • TI(德州仪器) SN74HCS16507-Q1
  • TI(德州仪器) SN74HCS16507-Q1
立即查看
您当前的位置: 首页 > 逻辑和电压转换 > 触发器、锁存器和寄存器 > 移位寄存器 > SN74HCS16507-Q1
SN74HCS16507-Q1

SN74HCS16507-Q1

正在供货

汽车类 8 位并行负载移位寄存器

产品详情
  • 说明
  • 特性
  • 参数
  • 封装 | 引脚 | 尺寸

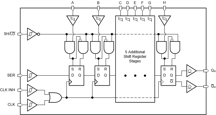
The is a parallel- or serial-in, serial-out 8-bit shift register with open-drain outputs.

  • AEC-Q100 Qualified for automotive applications:
    • Device temperature grade 1: –40°C to +125°C, TA
    • Device HBM ESD Classification Level 2
    • Device CDM ESD Classifcation Level C6
  • Wide operating voltage range: 2 V to 6 V
  • Schmitt-trigger inputs allow for slow or noisy input signals
  • Low power consumption
    • Typical ICC of 100 nA
    • Typical input leakage current of ±100 nA
  • 7.8-mA output drive at 6 V
ConfigurationParallel-in, Serial-out
Bits (#)8
Technology familyHCS
Supply voltage (min) (V)2
Supply voltage (max) (V)6
Input typeSchmitt-Trigger
Output typeOpen-drain
Clock frequency (MHz)150
IOL (max) (mA)7.8
IOH (max) (mA)-7.8
Supply current (max) (µA)2
FeaturesHigh speed (tpd 10-50ns), Positive input clamp diode
Operating temperature range (°C)-40 to 125
RatingAutomotive
SOIC (D)1659.4 mm² 9.9 x 6
TSSOP (PW)1632 mm² 5 x 6.4
产品购买
  • 商品型号
  • 封装
  • 工作温度
  • 包装
  • 价格
  • 现货库存
  • 操作
10s
温馨提示:
订单商品问题请移至我的售后服务提交售后申请,其他需投诉问题可移至我的投诉提交,我们将在第一时间给您答复
返回顶部