h1_key

TI(德州仪器) SN74HCS595-Q1
德州仪器 (TI) 全系列产品在线购买
  • TI(德州仪器) SN74HCS595-Q1
  • TI(德州仪器) SN74HCS595-Q1
  • TI(德州仪器) SN74HCS595-Q1
  • TI(德州仪器) SN74HCS595-Q1
  • TI(德州仪器) SN74HCS595-Q1
  • TI(德州仪器) SN74HCS595-Q1
立即查看
您当前的位置: 首页 > 逻辑和电压转换 > 触发器、锁存器和寄存器 > 移位寄存器 > SN74HCS595-Q1
SN74HCS595-Q1

SN74HCS595-Q1

正在供货

具有施密特触发输入和三态输出寄存器的汽车类 8 位移位寄存器

产品详情
  • 说明
  • 特性
  • 参数
  • 封装 | 引脚 | 尺寸

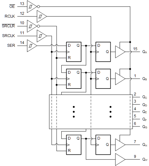
SN74HCS595-Q1 器件包含对 8 位 D 类存储寄存器进行馈送的 8 位串行输入、并行输出移位寄存器。 所有输入均包括施密特触发架构,因此消除了由边沿变化缓慢或高噪声输入信号导致的任何错误数据输出。存储寄存器具有并行 三态输出。移位寄存器和存储寄存器分别有单独的时钟。移位寄存器具有一个直接覆盖清零 (SRCLR) 的串行 (SER) 输入和一个串行输出 (QH’),以用于级联。当输出使能端 (OE) 输入为高电平时,存储寄存器输出处于高阻抗状态。内部寄存器数据和串行输出 (QH’) 不受 OE 端输入的影响。

  • 符合面向汽车应用的 AEC-Q100 标准:
    • 器件温度等级 1: –40°C 至 +125°C,TA
    • 器件 HBM ESD 分类等级 2
    • 器件 CDM ESD 分类等级 C6
  • 采用可湿侧面 QFN (WBQB) 封装
  • 宽工作电压范围:2V 至 6V
  • 施密特触发输入可实现慢速或高噪声输入信号
  • 低功耗
    • ICC 典型值为 100nA
    • 输入泄漏电流典型值为 ±100nA
  • 电压为 6V 时,输出驱动为 ±7.8mA
ConfigurationSerial-in, Parallel-out
Bits (#)8
Technology familyHCS
Supply voltage (min) (V)2
Supply voltage (max) (V)6
Input typeSchmitt-Trigger
Output type3-State
Clock frequency (MHz)75
IOL (max) (mA)7.8
IOH (max) (mA)-7.8
Supply current (max) (µA)2
FeaturesBalanced outputs, High speed (tpd 10-50ns), Output register, Positive input clamp diode
Operating temperature range (°C)-40 to 125
RatingAutomotive
SOIC (D)1659.4 mm² 9.9 x 6
SOT-23-THN (DYY)168.4 mm² 4.2 x 2
TSSOP (PW)1632 mm² 5 x 6.4
WQFN (BQB)168.75 mm² 3.5 x 2.5
产品购买
  • 商品型号
  • 封装
  • 工作温度
  • 包装
  • 价格
  • 现货库存
  • 操作
10s
温馨提示:
订单商品问题请移至我的售后服务提交售后申请,其他需投诉问题可移至我的投诉提交,我们将在第一时间给您答复
返回顶部