h1_key

TI(德州仪器) LSF0102-Q1
德州仪器 (TI) 全系列产品在线购买
  • TI(德州仪器) LSF0102-Q1
  • TI(德州仪器) LSF0102-Q1
  • TI(德州仪器) LSF0102-Q1
  • TI(德州仪器) LSF0102-Q1
  • TI(德州仪器) LSF0102-Q1
  • TI(德州仪器) LSF0102-Q1
立即查看
您当前的位置: 首页 > 逻辑和电压转换 > 电压转换器和电平转换器 > 自动方向电压转换器 > LSF0102-Q1
LSF0102-Q1

LSF0102-Q1

正在供货

汽车类双通道双向多电压电平转换器

产品详情
  • 说明
  • 特性
  • 参数
  • 封装 | 引脚 | 尺寸

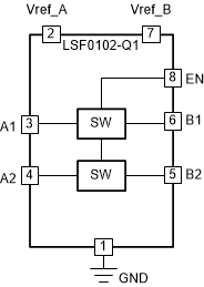
LSF0102-Q1 器件是一款自动双向电压转换器,无需方向引脚即可在广泛的电源范围内进行转换。当容性负载 ≤ 30pF 时,LSF0102-Q1 支持最高 100MHz 的升压转换和高于 100MHz 的降压转换。此外,当容性负载为 50pF 时,LSF0102-Q1 支持最高 40MHz 的上行和下行转换,因此,LSF0102-Q1 器件可支持汽车中各种常见的标准接口,如 I 2C、SPI、GPIO、SDIO、UART 和 MDIO。

LSF0102-Q1 器件具有 5V 耐受数据输入。因此该器件可兼容 TTL 电压电平。此外,LSF0102-Q1 还支持混合模式电压转换,可在各个通道上升压和降压转换至不同的电源电平。

  • 符合面向汽车应用的 AEC-Q100 标准
    • 温度等级 1:–40°C ≤ T A ≤ 125°C
    • 器件 HBM ESD 分类等级 2
    • CDM ESD 分类等级 C6
  • 在无方向引脚的情况下提供双向电压转换
  • 支持开漏和推挽应用,如 I 2C、SPI、UART、MDIO、SDIO 和 GPIO
  • 在不超过 30pF 的容性负载条件下支持最高达 100MHz 的上行转换和超过 100MHz 的下行转换, 在 50pF 的容性负载条件下支持高达 40MHz 的上行/下行转换
  • 可实现以下电压之间的双向电压电平转换
    • 0.95V ↔ 1.8/2.5/3.3/5 V
    • 1.2V ↔ 1.8/2.5/3.3/5V
    • 1.8V ↔ 2.5/3.3/5V
    • 2.5V ↔ 3.3/5V
    • 3.3V ↔ 5V
  • 低待机电流
  • 5V 耐受 I/O 端口,可支持 TTL 电压电平
  • 低导通电阻 ,可减少信号失真
  • EN = 低电平时为高阻抗 I/O 引脚
  • 采用直通引脚排列以简化 PCB 布线
  • 闩锁性能超过 100mA,符合 JESD 78 II 类规范
Technology familyLSF
ApplicationsI2C
Bits (#)2
Data rate (max) (Mbps)100
High input voltage (min) (V)0.9
High input voltage (max) (V)5.5
Vout (min) (V)0.9
Vout (max) (V)5.5
IOH (max) (mA)0
IOL (max) (mA)0
Supply current (max) (µA)0.01
FeaturesOutput enable
Input typeTransmission Gate
Output type3-State, Transmission Gate
RatingAutomotive
Operating temperature range (°C)-40 to 125
VSSOP (DCU)86.2 mm² 2 x 3.1
产品购买
  • 商品型号
  • 封装
  • 工作温度
  • 包装
  • 价格
  • 现货库存
  • 操作
10s
温馨提示:
订单商品问题请移至我的售后服务提交售后申请,其他需投诉问题可移至我的投诉提交,我们将在第一时间给您答复
返回顶部