h1_key

TI(德州仪器) SN74HC595B
德州仪器 (TI) 全系列产品在线购买
  • TI(德州仪器) SN74HC595B
  • TI(德州仪器) SN74HC595B
  • TI(德州仪器) SN74HC595B
  • TI(德州仪器) SN74HC595B
  • TI(德州仪器) SN74HC595B
  • TI(德州仪器) SN74HC595B
立即查看
您当前的位置: 首页 > 逻辑和电压转换 > 触发器、锁存器和寄存器 > 移位寄存器 > SN74HC595B
SN74HC595B

SN74HC595B

正在供货

具有三态输出的 8 位移位寄存器

产品详情
  • 说明
  • 特性
  • 参数
  • 封装 | 引脚 | 尺寸

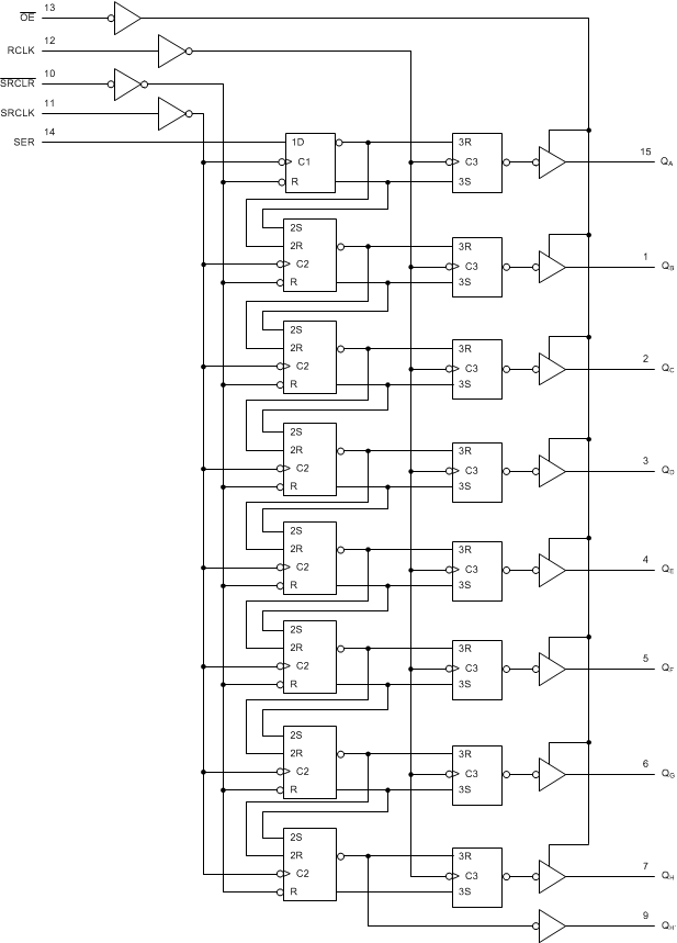
SN74HC595B 器件包含一个 8 位串行输入/并行输出移位寄存器,可将数据馈入 8 位 D 类存储寄存器。存储寄存器具有并行三态输出。移位寄存器和存储寄存器均具有独立时钟。移位寄存器具有一个直接覆盖清零 (SRCLR) 输入以及用于级联结构的串行 (SER) 输入和串行输出。当输出使能 (OE) 输入置为高电平时,除 QH' 之外的所有输出均将置于高阻抗状态。

  • 8 位串行输入/并行输出移位寄存器
  • 采用超小型逻辑四方扁平无引线 (QFN) 封装(最大高度为 0.5mm)
  • 独立于 Vcc 的输入过压容差
  • 2V 至 6V 的宽运行电压范围
  • 高电流三态输出最多可驱动 15 个低功耗肖特基晶体管-晶体管逻辑器件 (LSTTL) 负载
  • 低功耗:ICC 为 80µA(最大值)
  • tpd = 13ns(典型值)
  • ±6mA 输出驱动(电压为 5V 时)
  • 低输入电流:1µA(最大值)
  • 移位寄存器具有直接清零功能
  • 运行温度为 -55oC 至 125oC

应用

  • 网络交换机
  • 工厂自动化
  • 移动可穿戴设备
  • 工业楼宇自动化
  • 电力基础设施
  • 发光二极管 (LED) 显示屏
  • 服务器

ConfigurationSerial-in, Parallel-out
Bits (#)8
Technology familyHC
Supply voltage (min) (V)2
Supply voltage (max) (V)6
Input typeStandard CMOS
Output type3-State
Clock frequency (MHz)24
IOL (max) (mA)7.8
IOH (max) (mA)-7.8
Supply current (max) (µA)160
FeaturesBalanced outputs, High speed (tpd 10-50ns), Positive input clamp diode
Operating temperature range (°C)-55 to 125
RatingCatalog
X1QFN (RWN)166.25 mm² 2.5 x 2.5
产品购买
  • 商品型号
  • 封装
  • 工作温度
  • 包装
  • 价格
  • 现货库存
  • 操作
10s
温馨提示:
订单商品问题请移至我的售后服务提交售后申请,其他需投诉问题可移至我的投诉提交,我们将在第一时间给您答复
返回顶部