h1_key

TI(德州仪器) SN74LV4T125
德州仪器 (TI) 全系列产品在线购买
  • TI(德州仪器) SN74LV4T125
  • TI(德州仪器) SN74LV4T125
  • TI(德州仪器) SN74LV4T125
  • TI(德州仪器) SN74LV4T125
  • TI(德州仪器) SN74LV4T125
  • TI(德州仪器) SN74LV4T125
立即查看
您当前的位置: 首页 > 逻辑和电压转换 > 电压转换器和电平转换器 > 固定方向电压转换器 > SN74LV4T125
SN74LV4T125

SN74LV4T125

正在供货

具有三态输出 CMOS 逻辑电平位移器的单电源四路缓冲门

产品详情
  • 说明
  • 特性
  • 参数
  • 封装 | 引脚 | 尺寸

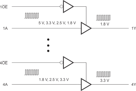
SN74LV4T125 是一款具有较宽电压范围的低压 CMOS 缓冲门逻辑器件,用于便携式、电信、工业和汽车应用。输出电平以电源电压为基准,并且能够支持 1.8V、2.5V、3.3V 和 5V CMOS 电平。

该输入采用较低阈值电路设计,可匹配 VCC = 3.3V 时的 1.8V 输入逻辑电平,并且可用于 1.8V 至 3.3V 升压转换。此外,5V 耐压输入引脚可实现降压转换(例如,在 VCC = 2.5V 时,从 3.3V 输入至 2.5V 输出)。1.8V 至 5.5V 的宽 VCC 范围使生成的所需输出电平能够连接至控制器或处理器。

SN74LV4T125 器件的设计电流驱动能力为 8mA,能减少由高驱动输出导致的线路反射、过冲和下冲。

  • VCC 为 5V、3.3V、2.5V 和 1.8V 的单电源电压转换器
  • 工作电压范围为 1.8V 至 5.5V
  • 升压转换
    • 1.8V VCC 时,1.2V(1) 至 1.8V
    • 2.5V VCC 时,1.5V(1) 至 2.5V
    • 3.3V VCC 时,1.8V(1) 至 3.3V
    • 5.0V VCC 时,3.3V 至 5.0V
  • 降压转换
    • 1.8V VCC 时,3.3V 至 1.8V
    • 2.5V VCC 时,3.3V 至 2.5V
    • 3.3V VCC 时,5.0 V 至 3.3V
  • 逻辑输出以 VCC 为基准
  • VCC 为 3.3V 时,频率高达 50MHz
  • 输入引脚可耐受 5.5V 电压
  • -40°C 至 125°C 工作温度范围
  • 可提供无铅封装:SC-70 (RGY)
    • 3.5 × 3.5 × 1mm
  • 闩锁性能超过 250mA, 符合 JESD 17 规范
  • 支持标准逻辑引脚排列
  • Ioff 支持局部关断模式运行
  • 与 AUP125、LVC125 兼容的 CMOS 输出 B(1)

(1)请参考较低 VCC 条件下的 VIH/VIL 和输出驱动。

Technology familyLV-A
ApplicationsSPI
Bits (#)4
Configuration4 Ch A to B 0 Ch B to A
High input voltage (min) (V)1
High input voltage (max) (V)5.5
Vout (min) (V)19
Vout (max) (V)5.5
Data rate (max) (Mbps)100
IOH (max) (mA)-16
IOL (max) (mA)-16
Supply current (max) (µA)5.5
Features12.25, 32
Input typeTTL-Compatible CMOS
Output type3-State, Balanced CMOS
RatingCatalog
Operating temperature range (°C)-40 to 125
TSSOP (PW)1432 mm² 5 x 6.4
VQFN (RGY)1412.25 mm² 3.5 x 3.5
产品购买
  • 商品型号
  • 封装
  • 工作温度
  • 包装
  • 价格
  • 现货库存
  • 操作
10s
温馨提示:
订单商品问题请移至我的售后服务提交售后申请,其他需投诉问题可移至我的投诉提交,我们将在第一时间给您答复
返回顶部