h1_key

TI(德州仪器) SN74LVCH16T245
德州仪器 (TI) 全系列产品在线购买
  • TI(德州仪器) SN74LVCH16T245
  • TI(德州仪器) SN74LVCH16T245
  • TI(德州仪器) SN74LVCH16T245
  • TI(德州仪器) SN74LVCH16T245
  • TI(德州仪器) SN74LVCH16T245
  • TI(德州仪器) SN74LVCH16T245
立即查看
您当前的位置: 首页 > 逻辑和电压转换 > 电压转换器和电平转换器 > 方向控制型电压转换器 > SN74LVCH16T245
SN74LVCH16T245

SN74LVCH16T245

正在供货

16 位双电源总线收发器,可配置电压转换,三态输出

产品详情
  • 说明
  • 特性
  • 参数
  • 封装 | 引脚 | 尺寸

This 16-bit noninverting bus transceiver uses two separate configurable power-supply rails. The A port is designed to track VCCA. VCCA accepts any supply voltage from 1.65 V to 5.5 V. The B port is designed to track VCCB. VCCB accepts any supply voltage from 1.65 V to 5.5 V. This allows for universal low-voltage bidirectional translation between any of the 1.8-V, 2.5-V, 3.3-V, and 5-V voltage nodes.

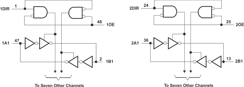
The SN74LVCH16T245 device control pins (1DIR, 2DIR, 1OE, and 2OE) are supplied by VCCA.

The SN74LVCH16T245 device is designed for asynchronous communication between two data buses. The logic levels of the direction-control (DIR) input and the output-enable (OE) input activate either the B-port outputs or the A-port outputs or place both output ports into the high-impedance mode. The device transmits data from the A bus to the B bus when the B-port outputs are activated, and from the B bus to the A bus when the A-port outputs are activated. The input circuitry on both A and B ports is always active and must have a logic HIGH or LOW level applied to prevent excess ICC and ICCZ.

Active bus-hold circuitry holds unused or undriven data inputs at a valid logic state. Use of pullup or pulldown resistors with the bus-hold circuitry is not recommended. The bus-hold circuitry on the powered-up side always stays active.

This device is fully specified for partial-power-down applications using Ioff. The Ioff circuitry disables the outputs, preventing damaging current backflow through the device when it is powered down.

The VCC isolation feature ensures that if either VCC input is at GND, then all outputs are in the high-impedance state. To ensure the high-impedance state during power up or power down, OE should be tied to VCC through a pullup resistor; the minimum value of the resistor is determined by the current-sinking capability of the driver.

  • Control Inputs VIH/VIL Levels are Referenced to
    VCCA Voltage
  • VCC Isolation Feature – If Either VCC Input is at
    GND, All Outputs are in the High-Impedance State
  • Overvoltage-Tolerant Inputs and Outputs Allow
    Mixed-Voltage-Mode Data Communications
  • Fully Configurable Dual-Rail Design Allows Each
    Port to Operate Over the Full 1.65 V to 5.5 V
    Power-Supply Range
  • Bus Hold on Data Inputs Eliminates the Need for
    External Pullup and Pulldown Resistors
  • Ioff Supports Partial-Power-Down Mode Operation
  • Latch-Up Performance Exceeds 100 mA Per
    JESD 78, Class II
  • ESD Protection Exceeds JESD 22
Technology familyLVC
Bits (#)16
High input voltage (min) (V)1.08
High input voltage (max) (V)5.5
Vout (min) (V)1.65
Vout (max) (V)5.5
Data rate (max) (Mbps)200
IOH (max) (mA)-32
IOL (max) (mA)32
Supply current (max) (µA)30
FeaturesBus-hold, Output enable, Overvoltage tolerant inputs, Partial power down (Ioff), Vcc isolation
Input typeStandard CMOS
Output type3-State, Balanced CMOS, Push-Pull
RatingCatalog
Operating temperature range (°C)-40 to 85
SSOP (DL)48164.358 mm² 15.88 x 10.35
TSSOP (DGG)48101.25 mm² 12.5 x 8.1
TVSOP (DGV)4862.08 mm² 9.7 x 6.4
产品购买
  • 商品型号
  • 封装
  • 工作温度
  • 包装
  • 价格
  • 现货库存
  • 操作
10s
温馨提示:
订单商品问题请移至我的售后服务提交售后申请,其他需投诉问题可移至我的投诉提交,我们将在第一时间给您答复
返回顶部