h1_key

TI(德州仪器) SN74AVC4T245
德州仪器 (TI) 全系列产品在线购买
  • TI(德州仪器) SN74AVC4T245
  • TI(德州仪器) SN74AVC4T245
  • TI(德州仪器) SN74AVC4T245
  • TI(德州仪器) SN74AVC4T245
  • TI(德州仪器) SN74AVC4T245
  • TI(德州仪器) SN74AVC4T245
立即查看
您当前的位置: 首页 > 逻辑和电压转换 > 电压转换器和电平转换器 > 方向控制型电压转换器 > SN74AVC4T245
SN74AVC4T245

SN74AVC4T245

正在供货

具有可配置电压转换和三态输出的 4 位双电源总线收发器

产品详情
  • 说明
  • 特性
  • 参数
  • 封装 | 引脚 | 尺寸

This 4-bit noninverting bus transceiver uses two separate configurable power-supply rails. The A port is designed to track VCCA. VCCA accepts any supply voltage from 1.2 V to 3.6 V. The B port is designed to track VCCB. VCCB accepts any supply voltage from 1.2 V to 3.6 V. The SN74AVC4T245 is optimized to operate with VCCA/VCCB set at 1.4 V to 3.6 V. It is operational with VCCA/VCCB as low as 1.2 V. This allows for universal low-voltage bidirectional translation between any of the 1.2-V, 1.5-V, 1.8-V, 2.5-V, and 3.3-V voltage nodes.

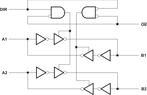
The SN74AVC4T245 device is designed for asynchronous communication between two data buses. The logic levels of the direction-control (DIR) input and the output-enable (OE) input activate either the B-port outputs or the A-port outputs or place both output ports into the high-impedance mode. The device transmits data from the A bus to the B bus when the B-port outputs are activated, and from the B bus to the A bus when the A-port outputs are activated. The input circuitry on both A and B ports is always active and must have a logic HIGH or LOW level applied to prevent excess ICC and ICCZ.

The SN74AVC4T245 device is designed so that the control pins (1DIR, 2DIR, 1OE, and 2OE) are supplied by VCCA.

This device is fully specified for partial-power-down applications using Ioff. The Ioff circuitry disables the outputs, preventing damaging current backflow through the device when it is powered down.

The VCC isolation feature ensures that if either VCC input is at GND, then both ports are in the high-impedance state.

To ensure the high-impedance state during power up or power down, OE should be tied to VCC through a pullup resistor; the minimum value of the resistor is determined by the current-sinking capability of the driver.

  • Control Inputs VIH/VIL Levels Are
    Referenced to VCCA Voltage
  • Fully Configurable Dual-Rail Design Allows Each Port to Operate
    Over the Full 1.2-V to 3.6-V Power-Supply Range
  • I/Os Are 4.6-V Tolerant
  • Ioff Supports Partial Power-Down-Mode Operation
  • Maximum Data Rates
    • 380 Mbps (1.8-V to 3.3-V Translation)
    • 200 Mbps (< 1.8-V to 3.3-V Translation)
    • 200 Mbps (Translate to 2.5 V or 1.8 V)
    • 150 Mbps (Translate to 1.5 V)
    • 100 Mbps (Translate to 1.2 V)
  • Latch-Up Performance Exceeds 100 mA Per JESD 78, Class II
  • ESD Protection Exceeds JESD 22
    • 8000-V Human-Body Model (A114-A)
    • 150-V Machine Model (A115-A)
    • 1000-V Charged-Device Model (C101)
Technology familyAVC
ApplicationsART, JTAG, SPI
Bits (#)4
High input voltage (min) (V)0.78
High input voltage (max) (V)3.6
Vout (min) (V)1.2
Vout (max) (V)3.6
Data rate (max) (Mbps)380
IOH (max) (mA)-12
IOL (max) (mA)12
Supply current (max) (µA)16
FeaturesOutput enable, Overvoltage tolerant inputs, Partial power down (Ioff)
Input typeStandard CMOS
Output typeBalanced CMOS, Push-Pull
RatingCatalog
Operating temperature range (°C)-40 to 85
SOIC (D)1659.4 mm² 9.9 x 6
TSSOP (PW)1632 mm² 5 x 6.4
TVSOP (DGV)1623.04 mm² 3.6 x 6.4
UQFN (RSV)164.68 mm² 2.6 x 1.8
VQFN (RGY)1614 mm² 4 x 3.5
产品购买
  • 商品型号
  • 封装
  • 工作温度
  • 包装
  • 价格
  • 现货库存
  • 操作
10s
温馨提示:
订单商品问题请移至我的售后服务提交售后申请,其他需投诉问题可移至我的投诉提交,我们将在第一时间给您答复
返回顶部