h1_key

TI(德州仪器) SN74LV8154
德州仪器 (TI) 全系列产品在线购买
  • TI(德州仪器) SN74LV8154
  • TI(德州仪器) SN74LV8154
  • TI(德州仪器) SN74LV8154
  • TI(德州仪器) SN74LV8154
  • TI(德州仪器) SN74LV8154
  • TI(德州仪器) SN74LV8154
立即查看
您当前的位置: 首页 > 逻辑和电压转换 > 触发器、锁存器和寄存器 > 计数器 > SN74LV8154
SN74LV8154

SN74LV8154

正在供货

具有三态输出寄存器的双通道 16 位二进制计数器

产品详情
  • 说明
  • 特性
  • 参数
  • 封装 | 引脚 | 尺寸

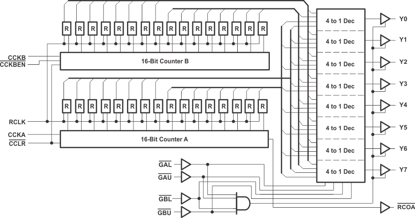
The SN74LV8154 device is a dual 16-bit binary counter with 3-state output registers, designed for 2-V to 5.5-V VCC operation.

The counters have dedicated clock inputs. The counters share a clocked storage register to sample and save the counter contents. Both counters share an asynchronous clear input. The 32-bit storage register can be mapped on the output bus 8-bits at a time. Four bus reads are needed to access the contents of both stored counts. The two counters can be chained by connecting CLKBEN to RCOA. All clocks are positive edge triggered. All other inputs are active low.

This device is fully specified for partial-power-down applications using Ioff. The Ioff circuitry disables the outputs, preventing damaging current backflow through the device when it is powered down.

  • Can Be Used as Two 16-Bit Counters or a Single 32-Bit Counter
  • 8-bit counter read bus
  • 2-V to 5.5-V VCC Operation
  • Maximum tpd of 25 ns at 5 V (RCLK to Y)
  • Typical VOLP (Output Ground Bounce)
    < 0.7 V at VCC = 5 V, TA = 25°C
  • Typical VOHV (Output VOH Undershoot)
    > 4.4 V at VCC = 5 V, TA = 25°C
  • Ioff Supports Partial-Power-Down Mode Operation
  • Latch-Up Performance Exceeds 250 mA
    Per JESD 17
  • ESD Protection Exceeds JESD 22
    • 2000-V Human Body Model (A114-A)
    • 200-V Machine Model (A115-A)
    • 1000-V Charged-Device Model (C101)
FunctionCounter
Bits (#)16
Technology familyLV-A
Supply voltage (min) (V)2
Supply voltage (max) (V)5.5
Input typeStandard CMOS
Output type3-State
FeaturesBalanced outputs, High speed (tpd 10-50ns), Over-voltage tolerant inputs, Partial power down (Ioff)
Operating temperature range (°C)-40 to 85
RatingCatalog
PDIP (N)20228.702 mm² 24.33 x 9.4
TSSOP (PW)2041.6 mm² 6.5 x 6.4
产品购买
  • 商品型号
  • 封装
  • 工作温度
  • 包装
  • 价格
  • 现货库存
  • 操作
10s
温馨提示:
订单商品问题请移至我的售后服务提交售后申请,其他需投诉问题可移至我的投诉提交,我们将在第一时间给您答复
返回顶部