h1_key

TI(德州仪器) SN74LV595A-Q1
德州仪器 (TI) 全系列产品在线购买
  • TI(德州仪器) SN74LV595A-Q1
  • TI(德州仪器) SN74LV595A-Q1
  • TI(德州仪器) SN74LV595A-Q1
  • TI(德州仪器) SN74LV595A-Q1
  • TI(德州仪器) SN74LV595A-Q1
  • TI(德州仪器) SN74LV595A-Q1
立即查看
您当前的位置: 首页 > 逻辑和电压转换 > 触发器、锁存器和寄存器 > 移位寄存器 > SN74LV595A-Q1
SN74LV595A-Q1

SN74LV595A-Q1

正在供货

具有三态输出寄存器的汽车类 8 位移位寄存器

产品详情
  • 说明
  • 特性
  • 参数
  • 封装 | 引脚 | 尺寸

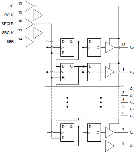
SN74LV595A-Q1 包含一个对 8 位 D 类存储寄存器进行馈送的 8 位串行输入、并行输出移位寄存器。存储寄存器具有并行三态输出。移位寄存器和存储寄存器分别有单独的时钟。移位寄存器具有一个直接覆盖清零 ( SRCLR) 输入以及用于级联结构的串行 (SER) 输入和串行输出。当输出使能端 ( OE) 输入为高电平时,所有输出(Q H’ 除外)处于高阻抗状态。

该器件完全符合使用 I off 的部分断电应用的规范要求。I off 电路禁用输出,从而可防止其断电时破坏性电流从该器件回流。

  • 符合汽车应用要求
  • 采用具有可湿性侧面的 QFN (WBQB) 封装
  • 可支持客户特殊配置控制与重大变更批准
  • 2V 至 5.5V V CC 运行
  • V CC = 3.3V、T A = 25°C 时,V OLP(输出接地反弹)典型值小于 0.8V
  • V CC = 3.3V,T A = 25°C 时,V OHV(输出 V OH 下冲)典型值大于 2.3V
  • 所有端口上均支持以混合模式电压运行
  • 8 位串行输入/并行输出移位寄存器
  • I off 支持局部断电模式运行
  • 移位寄存器具有直接清零功能
ConfigurationSerial-in, Parallel-out
Bits (#)8
Technology familyLV-A
Supply voltage (min) (V)2
Supply voltage (max) (V)5.5
Input typeStandard CMOS
Output type3-State
Clock frequency (MHz)75
IOL (max) (mA)16
IOH (max) (mA)-16
Supply current (max) (µA)40
FeaturesBalanced outputs, Output register, Over-voltage tolerant inputs, Partial power down (Ioff), Very high speed (tpd 5-10ns)
Operating temperature range (°C)-40 to 125
RatingAutomotive
TSSOP (PW)1632 mm² 5 x 6.4
WQFN (BQB)168.75 mm² 3.5 x 2.5
产品购买
  • 商品型号
  • 封装
  • 工作温度
  • 包装
  • 价格
  • 现货库存
  • 操作
10s
温馨提示:
订单商品问题请移至我的售后服务提交售后申请,其他需投诉问题可移至我的投诉提交,我们将在第一时间给您答复
返回顶部