h1_key

TI(德州仪器) SN74LV393A-Q1
德州仪器 (TI) 全系列产品在线购买
  • TI(德州仪器) SN74LV393A-Q1
  • TI(德州仪器) SN74LV393A-Q1
  • TI(德州仪器) SN74LV393A-Q1
  • TI(德州仪器) SN74LV393A-Q1
  • TI(德州仪器) SN74LV393A-Q1
  • TI(德州仪器) SN74LV393A-Q1
立即查看
您当前的位置: 首页 > 逻辑和电压转换 > 触发器、锁存器和寄存器 > 计数器 > SN74LV393A-Q1
SN74LV393A-Q1

SN74LV393A-Q1

正在供货

汽车类双路 4 位同步二进制计数器

产品详情
  • 说明
  • 特性
  • 参数
  • 封装 | 引脚 | 尺寸

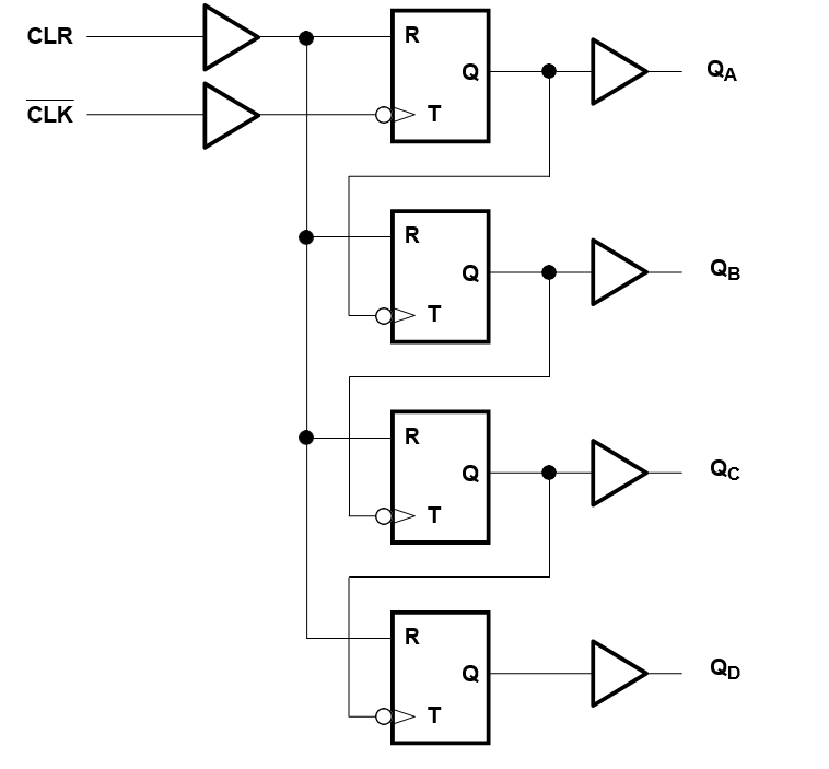
’LV393A 器件包含八个触发器和额外的门控,可在单个封装中实现两个独立的 4 位计数器。这些器件旨在于 2V 至 5.5V V CC 下运行。

  • V CC 工作范围为 2V 至 5.5V
  • 5V 时 t pd 最大值为 9.5ns
  • V OLP(输出接地反弹)典型值小于 0.8V(V CC = 3.3V,T A = 25°C)
  • V OHV(输出 V OH 下冲)典型值大于 2.3V(V CC = 3.3V、T A = 25°C 时)
  • 所有端口上均支持以混合模式电压运行
  • I off 支持局部关断模式运行
  • 闩锁性能超过 250mA,符合 JESD 17 规范
FunctionCounter
Bits (#)4
Technology familyLV-A
Supply voltage (min) (V)2
Supply voltage (max) (V)5.5
Input typeStandard CMOS
Output typePush-Pull
FeaturesBalanced outputs, Over-voltage tolerant inputs, Partial power down (Ioff), Very high speed (tpd 5-10ns)
Operating temperature range (°C)-40 to 105
RatingAutomotive
TSSOP (PW)1432 mm² 5 x 6.4
产品购买
  • 商品型号
  • 封装
  • 工作温度
  • 包装
  • 价格
  • 现货库存
  • 操作
10s
温馨提示:
订单商品问题请移至我的售后服务提交售后申请,其他需投诉问题可移至我的投诉提交,我们将在第一时间给您答复
返回顶部