h1_key

TI(德州仪器) SN74LV166A
德州仪器 (TI) 全系列产品在线购买
  • TI(德州仪器) SN74LV166A
  • TI(德州仪器) SN74LV166A
  • TI(德州仪器) SN74LV166A
  • TI(德州仪器) SN74LV166A
  • TI(德州仪器) SN74LV166A
  • TI(德州仪器) SN74LV166A
立即查看
您当前的位置: 首页 > 逻辑和电压转换 > 触发器、锁存器和寄存器 > 移位寄存器 > SN74LV166A
SN74LV166A

SN74LV166A

正在供货

8 位并行负载移位寄存器

产品详情
  • 说明
  • 特性
  • 参数
  • 封装 | 引脚 | 尺寸

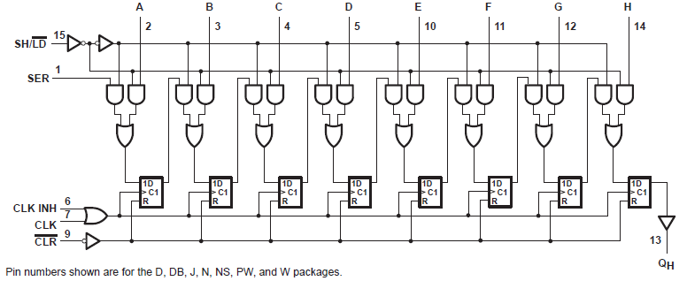
’LV166A 器件是 8 位并行负载移位寄存器,旨在于 2V 至 5.5V V CC 下运行。

  • 工作范围为 2V 至 5.5V V CC
  • 电压为 5V 时,t pd 最大值为 10.5ns
  • V CC = 3.3V、T A = 25°C 时,V OLP(输出接地反弹)典型值小于 0.8V
  • V CC = 3.3V、T A = 25°C 时,V OHV(输出 V OH 下冲)典型值为 2.3V
  • I off 支持局部断电模式运行
  • 同步负载
  • 直接覆盖清零
  • 并行转串行转换
  • 闩锁性能超过 100mA,符合 JESD 78 II 类规范
ConfigurationParallel-in, Serial-out
Bits (#)8
Technology familyLV-A
Supply voltage (min) (V)2
Supply voltage (max) (V)5.5
Input typeStandard CMOS
Output typePush-Pull
Clock frequency (MHz)45
IOL (max) (mA)12
IOH (max) (mA)-12
Supply current (max) (µA)20
FeaturesBalanced outputs, Over-voltage tolerant inputs, Partial power down (Ioff), Very high speed (tpd 5-10ns)
Operating temperature range (°C)-40 to 85
RatingCatalog
SOIC (D)1659.4 mm² 9.9 x 6
SOP (NS)1679.56 mm² 10.2 x 7.8
SSOP (DB)1648.36 mm² 6.2 x 7.8
TSSOP (PW)1632 mm² 5 x 6.4
TVSOP (DGV)1623.04 mm² 3.6 x 6.4
产品购买
  • 商品型号
  • 封装
  • 工作温度
  • 包装
  • 价格
  • 现货库存
  • 操作
10s
温馨提示:
订单商品问题请移至我的售后服务提交售后申请,其他需投诉问题可移至我的投诉提交,我们将在第一时间给您答复
返回顶部