h1_key

TI(德州仪器) OPA4170
德州仪器 (TI) 全系列产品在线购买
  • TI(德州仪器) OPA4170
  • TI(德州仪器) OPA4170
  • TI(德州仪器) OPA4170
  • TI(德州仪器) OPA4170
  • TI(德州仪器) OPA4170
  • TI(德州仪器) OPA4170
立即查看
您当前的位置: 首页 > 放大器 > 运算放大器 (op amps) > 通用运算放大器 > OPA4170
OPA4170

OPA4170

正在供货

四通道、36V、1.2MHz、低功耗运算放大器

产品详情
  • 说明
  • 特性
  • 参数
  • 封装 | 引脚 | 尺寸

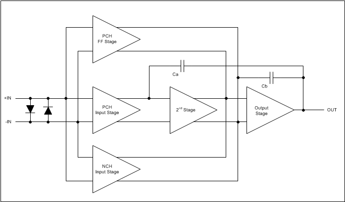
OPA170、OPA2170 和 OPA4170 器件 (OPAx170) 属于 36V、单电源、低噪声运算放大器系列,该系列放大器采用微型封装,能够在 2.7V (±1.35V) 至 36V (±18V) 的电源电压范围内运行。它们在保证低静态电流的情况下提供令人满意的偏移、漂移和带宽。单通道、双通道和四通道版本均具有相同的技术规格,可最大程度地提高设计灵活性。

大多数运算放大器仅有一个指定电源电压,OPAx170 系列运算放大器则有所不同,它们可在 2.7V 至 36V 的额定电压范围内运行。超过电源轨的输入信号不会导致相位反转。OPAx170 系列在电容负载高达 300pF 时保持稳定。输入可在负电源轨以下 100mV 以及正电源轨 2V 之内正常运行。请注意,这些器件可在正电源轨之上 100mV 的满轨到轨输入上运行,但是在正电源轨 2V 内运行时,性能会受到影响。OPAx170 运算放大器额定运行温度范围为 -40°C 至 +125°C。

  • 电源电压范围:2.7V 至 36V,±1.35V 至 ±18V
  • 低噪声:19 nV/√Hz
  • 已过滤的射频干扰 (RFI) 输入
  • 输入范围包括负电源
  • 输入范围运行至正电源
  • 轨到轨输出
  • 增益带宽:1.2MHz
  • 低静态电流:每个放大器 110µA
  • 高共模抑制:120dB
  • 低偏置电流:15pA(最大值)
  • 采用行业标准封装和微型封装
  • 使用 OPAx170 并借助 WEBENCH® 电源设计器 创建定制设计
Number of channels4
Total supply voltage (+5 V = 5, ±5 V = 10) (max) (V)36
Total supply voltage (+5 V = 5, ±5 V = 10) (min) (V)2.7
Rail-to-railIn to V-, Out
GBW (typ) (MHz)1.2
Slew rate (typ) (V/µs)0.4
Vos (offset voltage at 25°C) (max) (mV)1.8
Iq per channel (typ) (mA)0.1
Vn at 1 kHz (typ) (nV√Hz)19
RatingCatalog
Operating temperature range (°C)-40 to 125
Offset drift (typ) (µV/°C)0.3
FeaturesEMI Hardened
Input bias current (max) (pA)15
CMRR (typ) (dB)120
Iout (typ) (A)0.017
ArchitectureCMOS
Input common mode headroom (to negative supply) (typ) (V)-0.1
Input common mode headroom (to positive supply) (typ) (V)-2
Output swing headroom (to negative supply) (typ) (V)0.008
Output swing headroom (to positive supply) (typ) (V)-0.15
SOIC (D)1451.9 mm² 8.65 x 6
TSSOP (PW)1432 mm² 5 x 6.4
产品购买
  • 商品型号
  • 封装
  • 工作温度
  • 包装
  • 价格
  • 现货库存
  • 操作
10s
温馨提示:
订单商品问题请移至我的售后服务提交售后申请,其他需投诉问题可移至我的投诉提交,我们将在第一时间给您答复
返回顶部