h1_key

TI(德州仪器) INA826
德州仪器 (TI) 全系列产品在线购买
  • TI(德州仪器) INA826
  • TI(德州仪器) INA826
  • TI(德州仪器) INA826
  • TI(德州仪器) INA826
  • TI(德州仪器) INA826
  • TI(德州仪器) INA826
立即查看
您当前的位置: 首页 > 放大器 > 仪表放大器 > INA826
INA826

INA826

正在供货

200μA 电源电流、36V 电源精密仪表放大器

产品详情
  • 说明
  • 特性
  • 参数
  • 封装 | 引脚 | 尺寸

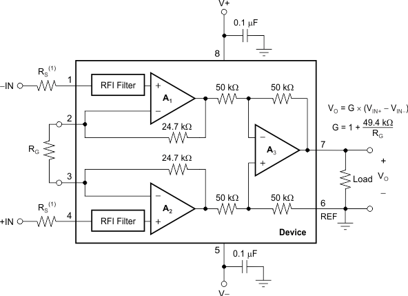
The INA826 is a cost-effective instrumentation amplifier that offers extremely low power consumption and operates over a very wide single-supply or dual-supply range. A single external resistor sets any gain from 1 to 1000. The device offers excellent stability over temperature, even at G > 1, as a result of the low gain drift of only 35 ppm/°C (maximum).

The INA826 is optimized to provide excellent common-mode rejection ratio of over 100 dB (G = 10) over frequencies up to 5 kHz. At G = 1, the common-mode rejection ratio exceeds 84 dB across the full input common-mode range, from the negative supply all the way up to 1 V of the positive supply. Using a rail-to-rail output, the INA826 is a great choice for low-voltage operation from a 3-V single supply, as well as dual supplies up to ±18 V.

Additional circuitry protects the inputs against overvoltage of up to ±40 V beyond the power supplies by limiting the input currents to less than 8 mA.

The INA826 is available in 8-pin SOIC, VSSOP, and tiny 3-mm × 3-mm WSON surface-mount packages. All versions are specified for the –40°C to +125°C temperature range.

  • Input common-mode range: Includes V–
  • Common-mode rejection:
    • 104 dB, min (G = 10)
    • 100 dB, min at 5 kHz (G = 10)
  • Power-supply rejection: 100 dB, min (G = 1)
  • Low offset voltage: 150 µV, max
  • Gain drift: 1 ppm/°C (G = 1), 35 ppm/°C (G > 1)
  • Noise: 18 nV/√Hz, G ≥ 100
  • Bandwidth: 1 MHz (G = 1), 60 kHz (G = 100)
  • Inputs protected up to ±40 V
  • Rail-to-rail output
  • Supply current: 200 µA
  • Supply range:
    • Single supply: 3 V to 36 V
    • Dual supply: ±1.5 V to ±18 V
  • Specified temperature range:
    –40°C to +125°C
  • Packages: 8-pin VSSOP, SOIC, and WSON
Number of channels1
Vs (max) (V)36
Vs (min) (V)3
Input offset (±) (max) (µV)150
Voltage gain (min) (V/V)1
Voltage gain (max) (V/V)1000
Noise at 1 kHz (typ) (nV√Hz)18
FeaturesCost Optimized, Overvoltage protection, Small Size
CMRR (min) (dB)120
Input offset drift (±) (max) (V/°C)0.000002
Input bias current (±) (max) (nA)65
Iq (typ) (mA)0.2
Bandwidth at min gain (typ) (MHz)1
Gain error (±) (max) (%)0.15
Operating temperature range (°C)-40 to 125
RatingCatalog
TypeResistor
Gain nonlinearity (±) (max) (%)0.002
Output swing headroom (to negative supply) (typ) (V)0.1
Output swing headroom (to positive supply) (typ) (V)-0.15
Input common mode headroom (to negative supply) (typ) (V)0
Input common mode headroom (to positive supply) (typ) (V)-1
Noise at 0.1 Hz to 10 Hz (typ) (µVPP)0.52
SOIC (D)829.4 mm² 4.9 x 6
VSSOP (DGK)814.7 mm² 3 x 4.9
WSON (DRG)89 mm² 3 x 3
产品购买
  • 商品型号
  • 封装
  • 工作温度
  • 包装
  • 价格
  • 现货库存
  • 操作
10s
温馨提示:
订单商品问题请移至我的售后服务提交售后申请,其他需投诉问题可移至我的投诉提交,我们将在第一时间给您答复
返回顶部