h1_key

TI(德州仪器) SN54HC148
德州仪器 (TI) 全系列产品在线购买
  • TI(德州仪器) SN54HC148
  • TI(德州仪器) SN54HC148
  • TI(德州仪器) SN54HC148
  • TI(德州仪器) SN54HC148
  • TI(德州仪器) SN54HC148
  • TI(德州仪器) SN54HC148
立即查看
您当前的位置: 首页 > 逻辑和电压转换 > 专用逻辑 IC > 数字多路复用器和编码器 > SN54HC148
SN54HC148

SN54HC148

正在供货

8 线至 3 路线优先级编码器

产品详情
  • 说明
  • 特性
  • 参数
  • 封装 | 引脚 | 尺寸

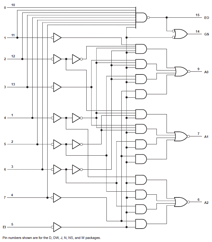
SNx4HC148 是一款 8 输入优先级编码器。添加了输入使能 (EI) 和输出使能 (EO) 信号,允许级联多个级,而无需添加外部电路。

  • Wide operating voltage range of 2V to 6V
  • Outputs can drive up to 10 LSTTL loads
  • Low power consumption, 80-µA max ICC
  • Typical tpd = 16ns
  • ±4-mA output drive at 5V
  • Low input current of 1µA max
  • Encode eight data lines to 3-line binary (Octal)
Technology familyHC
FunctionEncoder
Configuration8
Number of channels1
Operating temperature range (°C)-55 to 125
RatingMilitary
CDIP (J)16135.3552 mm² 19.56 x 6.92
LCCC (FK)2079.0321 mm² 8.89 x 8.89
产品购买
  • 商品型号
  • 封装
  • 工作温度
  • 包装
  • 价格
  • 现货库存
  • 操作

很抱歉,暂时无法提供与“SN54HC148”系列相匹配的产品,您可以联系专属客服快速找货或在现货搜索框中重新搜索。

10s
温馨提示:
订单商品问题请移至我的售后服务提交售后申请,其他需投诉问题可移至我的投诉提交,我们将在第一时间给您答复
返回顶部